康比電子roducts
國產晶振
臺產晶振
進口晶振
- 日本大真空晶振
- 愛普生晶振
- 精工晶振
- 西鐵城晶振
- 村田晶振
- 進口KSS晶振
- NDK晶振
- 大河石英晶振
- 美國CTS晶振
- 微晶晶振
- Abracon晶振
- ECS晶振
- Golledge晶振
- IDT晶振
- Jauch晶振
- Pletronics晶振
- 拉隆晶振
- SiTime晶振
- Statek晶振
- 格林雷晶振
- 康納溫菲爾德晶振
- 日蝕晶振
- 瑞康晶振
- 維管晶振
- AEK晶振
- AEL晶振
- Cardinal晶振
- Crystek晶振
- Euroquartz晶振
- FOX晶振
- Frequency晶振
- Geyer晶振
- KVG晶振
- ILSI晶振
- MERCURY晶振
- MMDCOMP晶振
- MtronPTI晶振
- QANTEK晶振
- QuartzCom晶振
- Quarztechnik晶振
- Suntsu晶振
- Transko晶振
- Wi2Wi晶振
- Fujicom晶振
- Interquip晶振
- ITTI晶振
- Lihom晶振
- MTI晶振
- NAKA晶振
- Oscilent晶振
- PDI晶振
- Rubyquartz晶振
- Shinsung晶振
- SMI晶振
- CTECH晶振
- IQD晶振
- Microchip晶振
- NJR晶振
- Silicon晶振
- Anderson晶振
- Fortiming晶振
- CORE晶振
- NIPPON晶振
- NICKC晶振
- QVS晶振
- Bomar晶振
- Bliley晶振
- GED晶振
- FILTRONETICS晶振
- STD晶振
- Q-Tech晶振
- Wenzel晶振
- NEL晶振
- EM晶振
- PETERMANN晶振
- FCD-Tech晶振
- HEC晶振
- FMI晶振
- Macrobizes晶振
- AXTAL晶振
- Sunny晶振
- 瑞薩Renesas晶振
- SKYWORKS晶振
車載電子
數碼電子
智能家居
時計產品
無線網絡
智能穿戴
醫療器械
無人機
0755-27876201
常見問題
更多>>.jpg)
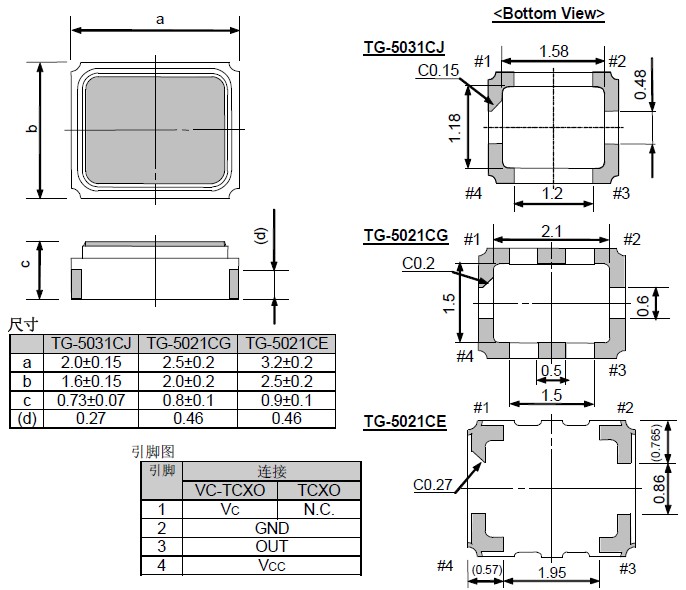
進口振蕩器5021CG/CE,TG-5031CJ貼片晶振,有源3.3V晶振溫補晶振(TCXO)產品本身具有溫度補償作用,高低溫度穩定性:頻率精度高0.5 PPM?2.0 PPM,工作溫度范圍: - 30度?85度,電源電壓:1.8V?3.3V之間可供選擇,產品本身具有溫度電壓控制功能,世界上最薄的晶振封裝,頻率:26兆赫,33.6兆赫,38.4兆赫,40兆赫,因產品性能穩定,精度高等優勢.
.jpg)
項目 | 記 號 | 5021CG/CE | 條 件 |
頻率 | f_nom | 13.000~52.000MHZ | |
電壓 | Vcc | 1.8V 3.3V | |
頂點溫度 | Ti | +25±5°C | |
二級溫度系數 | B | (−3.5±1.0)x10−8/°C2 | |
負載容量 | CL | 7.0pF/9.0pF/12.5pF | |
串聯電阻 | R1 | 65kÙ 最大值 | |
絕對最大激勵等級 | DLmax. | 1μW | |
推薦激勵等級 | DL | 0.1μW | |
并聯電容 | C0 | 0.8pF 典型值 | |
頻率老化程度 | f_age | ±3x10-6 | +25±3°C,第一年 |
工作溫度范圍 | T_use | -20°C~+70°C | |
保存溫度范圍 | T_stg | -55°C~+125°C | 單件保管一年 |
.jpg)

.jpg)
自動安裝和真空化引發的沖擊會破壞產品特性并影響這些產品.請設置安裝條件以盡可能將沖擊降至最低,并確保在安裝前未對產品特性產生影響.條件改變時,請重新檢查安裝條件.同時,在安裝前后,請確保晶體產品未撞擊機器或其他電路板等.
每個封裝類型的注意事項:
陶瓷包裝產品與SON產品
(1)在焊接陶瓷封裝產品和SON產品 (陶瓷包裝是指晶振外觀采用陶瓷制品) 之后,彎曲電路板會因機械應力而導致焊接部分剝落或封裝分裂(開裂).尤其在焊接這些產品之后進行電路板切割時,務必確保在應力較小的位置布局晶體并采用應力更小的切割方法.
陶瓷包裝產品
在一個不同擴張系數電路板(環氧玻璃)上焊接陶瓷封裝產品時,在溫度長時間重復變化時可能導致端子焊接部分發生斷裂,請事先檢查焊接特性.
(2)陶瓷封裝產品
在一個不同擴張系數電路板(環氧玻璃)上焊接陶瓷封裝產品時,在溫度長時間重復變化時可能導致端子焊接部分發生斷裂,請事先檢查焊接特性.



1、技術支持:全方位技術指導,專業的技術支持讓您感受到前所未有的后顧無憂.
2、客服咨詢:專業的銷售團隊,耐心為您解答任何疑問,讓您的消費得到保障.
3、質量保證,誠信為本,上我司以“以科技為動力,以質量求生存,”為理念.
4、提升業績,降低成本為您的產品量身訂制,免費取樣,為您做到低成本,高效率.
2、客服咨詢:專業的銷售團隊,耐心為您解答任何疑問,讓您的消費得到保障.
3、質量保證,誠信為本,上我司以“以科技為動力,以質量求生存,”為理念.
4、提升業績,降低成本為您的產品量身訂制,免費取樣,為您做到低成本,高效率.


康比電子聯系方式:
Q Q: 577541227
電 話:0755-27876201
手 機: 13728742863
Email: kangbidz@163.com
網 址: http://www.siliconsi.com/
地 址: 廣東省深圳市寶安區41區33棟6層
Q Q: 577541227
電 話:0755-27876201
手 機: 13728742863
Email: kangbidz@163.com
網 址: http://www.siliconsi.com/
地 址: 廣東省深圳市寶安區41區33棟6層