康比電子roducts
國產晶振
臺產晶振
進口晶振
- 日本大真空晶振
- 愛普生晶振
- 精工晶振
- 西鐵城晶振
- 村田晶振
- 進口KSS晶振
- NDK晶振
- 大河石英晶振
- 美國CTS晶振
- 微晶晶振
- Abracon晶振
- ECS晶振
- Golledge晶振
- IDT晶振
- Jauch晶振
- Pletronics晶振
- 拉隆晶振
- SiTime晶振
- Statek晶振
- 格林雷晶振
- 康納溫菲爾德晶振
- 日蝕晶振
- 瑞康晶振
- 維管晶振
- AEK晶振
- AEL晶振
- Cardinal晶振
- Crystek晶振
- Euroquartz晶振
- FOX晶振
- Frequency晶振
- Geyer晶振
- KVG晶振
- ILSI晶振
- MERCURY晶振
- MMDCOMP晶振
- MtronPTI晶振
- QANTEK晶振
- QuartzCom晶振
- Quarztechnik晶振
- Suntsu晶振
- Transko晶振
- Wi2Wi晶振
- Fujicom晶振
- Interquip晶振
- ITTI晶振
- Lihom晶振
- MTI晶振
- NAKA晶振
- Oscilent晶振
- PDI晶振
- Rubyquartz晶振
- Shinsung晶振
- SMI晶振
- CTECH晶振
- IQD晶振
- Microchip晶振
- NJR晶振
- Silicon晶振
- Anderson晶振
- Fortiming晶振
- CORE晶振
- NIPPON晶振
- NICKC晶振
- QVS晶振
- Bomar晶振
- Bliley晶振
- GED晶振
- FILTRONETICS晶振
- STD晶振
- Q-Tech晶振
- Wenzel晶振
- NEL晶振
- EM晶振
- PETERMANN晶振
- FCD-Tech晶振
- HEC晶振
- FMI晶振
- Macrobizes晶振
- AXTAL晶振
- Sunny晶振
- 瑞薩Renesas晶振
- SKYWORKS晶振
車載電子
數碼電子
智能家居
時計產品
無線網絡
智能穿戴
醫療器械
無人機
0755-27876201
常見問題
更多>>.jpg)
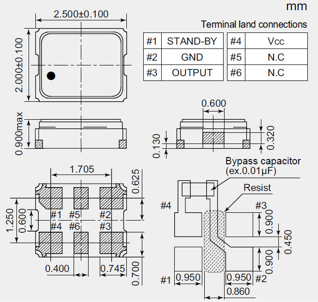
NZ2520SEA有源晶振,四腳貼片振蕩器,日本進口NDK晶振小體積貼片2520mm晶振,外觀小型,表面貼片型晶體諧振器,因本身體積小等優勢,適用于移動通信終端的基準時鐘等移動通信領域.小型,薄型,輕型 (2.5 × 2.0 × 0.5 mm typ.) 具備優良的耐環境特性及高耐熱性強.滿足無鉛焊接的回流溫度曲線要求.
.jpg)
型號 | NZ2520SEA | |||
包裝(pcs) | 1000 | |||
頻率范圍(MHZ) | 2.75 to 54 | |||
頻率公差 | Max. ±25 ×10-6 | Max. ±50 ×10-6 | Max. ±100 ×10-6 | |
工作溫度 | 0 to +70 | 0 to +85 | 0 to +85 | |
保存溫度 | –55 to +125 | |||
電源電壓(V) | +2.5 ± 5 %, +3.3 ± 10 % | |||
電流消耗 |
Enable (mA) | Max. 60 (Typ. 36) (STAND-BY=VCC or OPEN, RL=50Ω) | ||
Stand-by (μA) | Max. 30 (STAND-BY=GND) | |||
輸出電壓(V) | VOL : VCC –1.81 to VCC 1.62 (DCcharacteristics) | |||
VOH : VCC –1.025 to VCC –0.88 (DC characteristics) | ||||
上升/下降時間(單位:納秒) | Max. 1 (20 to 80% Waveform) | |||
對稱(%) | 45 to 55 (at 50% Waveform) | |||
輸出負載(Ω) | 50 (Terminated to VCC–2.0V) | |||
相位抖動 | Max. 1 (Offset frequency : 12kHz to 20MHz) |
一、常溫產品特性:常溫產品特性有時也稱為室溫產品特性,一般是指產品在環境溫度為25℃,相對濕度為50%左右時所測量出來的電性能參數,主要是頻率,電阻,激勵功率相關性及電容比等指標.
1、常溫下產品的頻率主要是觀察其穩定性與一致性.穩定性是相對于單個產品而言,一方面要求產品在測試儀上重復測試時,頻率變化量要小,好產品頻率變化量可以小于±0.5ppm,與產品頻率高低及TS大小有關,一般情況下,頻率越高變化量越大,TS越大變化量越大,測量指標一般是FL,若是FR則不存在TS的問題;另一方面要求產品在電路中工作時不出現頻率漂移,也就是說產品頻率不要跑到幾百甚至幾千ppm去,一般情況下只有高頻(27M以上)產品才會有這個問題,尤其是3RD產品.如果頻率不穩定,偏移的幅度上百ppm或同時伴有C0偏小現象,應考慮膠點是否松動.
NDK的發展:1948 年 在東京都中央區日本橋設立南部商工株式會社
1949 年 開始晶體諧振器的制造、銷售
1950 年 公司名變更為日本電波工業株式會社
總公司遷移登記至東京都涉谷區大山町
1954 年 建設、遷移總公司及工廠至東京都涉谷區代代木新町(現為 涉谷區西原)
1959 年 開始晶體濾波器的制造
1960 年 開始晶體振蕩器的制造
1962 年 著手在崎玉縣狹山市建立新工廠(現為 狹山事業所)
1963 年 在狹山事業所建成人工水晶工廠、開始人工水晶的制造
在狹山事業所建成水晶切斷工廠
在日本證券業協會進行店面登記
1964 年 在狹山事業所建成組裝工廠
在大阪府大阪市設立大阪辦事處
1970 年 在新瀉縣新瀉市建立Hawk Denshi株式會社(現為 新瀉NDK)
1975 年 在美國加利福尼亞州設立美國辦事處
1976 年 在宮城縣古川市(現為 大崎市)建立古川NDK株式會社
1979 年 在馬來西亞建立Asian NDK Crystal Sdn. Bhd.
為取得更大發展而解散美國辦事處,設立NDK America, Inc.l","sans-serif";color:black'>.
深圳康比電子有限公司:石英晶振、49/S、49/SMD、5X7mm、6x3.5mm、5X3.2mm、陶瓷晶振、ZTT三腳、ZTA二腳、貼片系列7.2X3.4mm、3.7X3.1mm、音叉表晶:32.768KHZ系列.產品廣泛應用于安防監控系統、智能手機、衛星GPS、汽車音響、車載電臺、汽車防盜報警系統.康比以先進的全自動檢測設備儀器、嚴格的現代化生產系統、和ISO9000質量管理體系、快捷的售后服務為您提供優質的產品和服務!
NDK晶體承諾所有的運作皆遵守本地國家的法律,并符合國際上所共同認知環保與社會責任的標準,成為一個創造股東最大權益、照顧員工、善盡社會責任的好公司. 我們將持續關注企業社會責任各項新議題,使本公司更加完整并落實企業社會責任所有面向. 對內,我們將透過各種教育訓練與活動,用心創造一個多元且充滿活力的工作環境 (例如健康促進活動); 對外,本公司透過與利害相關團體間的溝通,積極落實企業社會責任活動,持續投入社會公益,降低對社會環境之沖擊. 勞工職業安全衛生議題近年成為世界各國及企業關注焦點,如何做到‘降低職業災害發生、確保工作場所安全、實施員工健康管理’一直是NDK晶體努力的方向,公司于2008年12月通過OHSAS18001職業安全衛生管理系統驗證,提供勞工符合系統要求的安全衛生工作環境.


3、質量保證,誠信為本,上我司以“以科技為動力,以質量求生存,”為理念.
4、提升業績,降低成本為您的產品量身訂制,免費取樣,為您做到低成本,高效率.

.jpg)
Q Q: 577541227
電 話:0755-27876201
手 機: 13728742863
Email: kangbidz@163.com
網 址: http://www.siliconsi.com/
地 址: 廣東省深圳市寶安區41區33棟6層