康比電子roducts
國產晶振
臺產晶振
進口晶振
- 日本大真空晶振
- 愛普生晶振
- 精工晶振
- 西鐵城晶振
- 村田晶振
- 進口KSS晶振
- NDK晶振
- 大河石英晶振
- 美國CTS晶振
- 微晶晶振
- Abracon晶振
- ECS晶振
- Golledge晶振
- IDT晶振
- Jauch晶振
- Pletronics晶振
- 拉隆晶振
- SiTime晶振
- Statek晶振
- 格林雷晶振
- 康納溫菲爾德晶振
- 日蝕晶振
- 瑞康晶振
- 維管晶振
- AEK晶振
- AEL晶振
- Cardinal晶振
- Crystek晶振
- Euroquartz晶振
- FOX晶振
- Frequency晶振
- Geyer晶振
- KVG晶振
- ILSI晶振
- MERCURY晶振
- MMDCOMP晶振
- MtronPTI晶振
- QANTEK晶振
- QuartzCom晶振
- Quarztechnik晶振
- Suntsu晶振
- Transko晶振
- Wi2Wi晶振
- Fujicom晶振
- Interquip晶振
- ITTI晶振
- Lihom晶振
- MTI晶振
- NAKA晶振
- Oscilent晶振
- PDI晶振
- Rubyquartz晶振
- Shinsung晶振
- SMI晶振
- CTECH晶振
- IQD晶振
- Microchip晶振
- NJR晶振
- Silicon晶振
- Anderson晶振
- Fortiming晶振
- CORE晶振
- NIPPON晶振
- NICKC晶振
- QVS晶振
- Bomar晶振
- Bliley晶振
- GED晶振
- FILTRONETICS晶振
- STD晶振
- Q-Tech晶振
- Wenzel晶振
- NEL晶振
- EM晶振
- PETERMANN晶振
- FCD-Tech晶振
- HEC晶振
- FMI晶振
- Macrobizes晶振
- AXTAL晶振
- Sunny晶振
- 瑞薩Renesas晶振
- SKYWORKS晶振
車載電子
數碼電子
智能家居
時計產品
無線網絡
智能穿戴
醫療器械
無人機
0755-27876201
常見問題
更多>>.jpg)
.jpg)
IDT石英晶體振蕩器,XUL535125.000JS6I8,6G通訊設備晶振,XUL736150.000JU6I,LVDS差分晶振,美國進口晶振,IDT艾迪悌晶振XUL系列,編碼為:XUL535125.000JS6I8,頻率為:125.000MHz,是一種超精密LVDS晶體振蕩器,差分晶振,六腳貼片晶振,有源晶振,具有300fs到20MHz帶寬超過12kHz的典型相位抖動。IDT XUL系列晶體振蕩器的頻率范圍從16kHz到1500MHz,采用了一系列專有的asic芯片,重點關注降噪技術。具有較短的前置時間、低成本、低噪聲、較寬的頻率范圍、優異的環境性能,是一種超越傳統技術的優良選擇。XUL的穩定性高達+/-20ppm,標準頻率和自定義頻率都非常快。頻率范圍:0.016MHz至1500MHz,輸出類型:LVDS差分晶振,頻率穩定性:±20ppm,±25ppm,±50ppm,或±100ppm,電源電壓:1.8V、2.5V或3.3V,相位抖動(1.875MHz至20MHz):典型的100fs,相位抖動(12 kHz至20MHz):典型的300fs,包裝選項:5.0x3.2x1.2mm(JS6),7.0x5.0x1.3mm(JU6)貼片晶振,工作溫度:-20°C至+70°C或-40°C至+85°C,該具有高性能,高精度晶振,低功耗晶振,低噪聲晶振,低抖動晶振,低損耗等特點。被廣泛用于通訊設備,無線藍牙,物聯網,機頂盒,光端機,GPS定位,導航儀,安防設備及各種頻率控制設備上.
.jpg)
IDT石英晶體振蕩器,XUL535125.000JS6I8,6G通訊設備晶振,XUL736150.000JU6I,LVDS差分晶振,參數表
Parameter | Symbol | Condition | Min | Typ | Max | Units | |||||||||||||||||||||
Output Frequency Range | FOUTR | 125 | MHz | ||||||||||||||||||||||||
Frequency Stability | Temperature = -20°C to +70°C | ±20 | ±100 | ppm | |||||||||||||||||||||||
Temperature = -40°C to +85°C | ±25 | ±100 | ppm | ||||||||||||||||||||||||
Aging (1st year) | Ta = 25°C | ±3 | |||||||||||||||||||||||||
Aging (10 years) | Ta = 25°C | ±10 | |||||||||||||||||||||||||
Output Load | Differential | 100 | Ohms | ||||||||||||||||||||||||
Start-up Time | TST |
Output valid time after VDD meets minimum specified level |
10 | ms | |||||||||||||||||||||||
Output Rise Time | 20% to 80% VPP | 275 | 380 | ps | |||||||||||||||||||||||
Output Fall Time | 80% to 20% VPP | 275 | 380 | ps | |||||||||||||||||||||||
Output Clock Duty Cycle | TDTCY | @ 50% VPP | 45 | 55 | % | ||||||||||||||||||||||
Output Enable/ Disable Time | TOE | 100 | ns | ||||||||||||||||||||||||
Period Jitter, RMS | J PER | Frequency = 156.25MHz | 3.5 | 8 | psec | ||||||||||||||||||||||
Random Jitter | RJ |
Frequency = 156.25MHz Per MJSQ spec (Methodologies for Jitter and Signal Quality specifications) |
0.9 | 1.5 | psec | ||||||||||||||||||||||
Deterministic Jitter | DJ | 12 | 26 | psec | |||||||||||||||||||||||
Total Jitter | TJ | 25 | 44 | psec | |||||||||||||||||||||||
Phase Jitter (12kHz – 20MHz) | φJITTER | @25°C & 3.3V | 300 | 400 | fsec | ||||||||||||||||||||||
Phase Noise Performance Frequency = 156.25 MHz |
φNOISE | 100Hz of Carrier | -97 | dBc/Hz | |||||||||||||||||||||||
1kHz of Carrier | -112 | dBc/Hz | |||||||||||||||||||||||||
10kHz of Carrier | -122 | dBc/Hz | |||||||||||||||||||||||||
100kHz of Carrier | -131 | dBc/Hz | |||||||||||||||||||||||||
1MHz of Carrier | -146 | dBc/Hz | |||||||||||||||||||||||||
10MHz of Carrier | -153 | dBc/Hz |
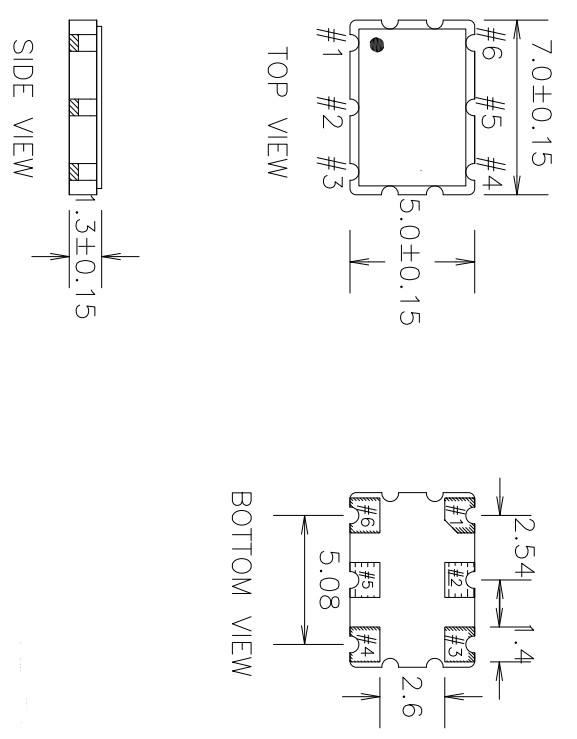
IDT石英晶體振蕩器,XUL535125.000JS6I8,6G通訊設備晶振,XUL736150.000JU6I,LVDS差分晶振,尺寸圖
IDT石英晶體振蕩器,XUL535125.000JS6I8,6G通訊設備晶振,XUL736150.000JU6I,LVDS差分晶振
產品特點:
•頻率范圍:0.016至1500 MHz
•輸出類型:LVDS
•頻率穩定性:±20ppm、±25ppm、±50ppm或±100ppm
•電源電壓:1.8V、2.5V或3.3V石英晶振
•相位抖動(1.875MHz至20MHz):典型100fs
•相位抖動(12kHz至20MHz):典型300fs
•包裝選項:5.0x3.2x1.2mm(JS6),7.0x5.0x1.3mm(JU6)
•工作溫度:-20°C至+70°C或-40°C至+85°C
進口晶振 | 品牌 | 參數 | 型號 | 頻率 |
XUL535156.250JS6I8 | IDT晶振 | OSC 156.25MHZ SMD | XUL | 156.25MHz |
XUL535150.000JS6I8 | IDT晶振 | OSC 150MHZ SMD | XUL | 150MHz |
XUN535100.000JS6I8 | IDT晶振 | OSC XO 100.000MHZ HCSL SMD | XUN | 100MHz |
XUP535156.250JS6I8 | IDT晶振 | OSC 156.25MHZ SMD | XUP | 156.25MHz |
XUL535100.000JS6I8 | IDT晶振 | OSC XO 100.000MHZ LVDS SMD | XUL | 100MHz |
XUL535125.000JS6I8 | IDT晶振 | OSC 125MHZ SMD | XUL | 125MHz |
XUH736156.250JU4I | IDT晶振 | OSC XO 156.2500MHZ HCMOS SMD | XUH | 156.25MHz |
XUH536156.250JS4I | IDT晶振 | OSC XO 156.2500MHZ HCMOS SMD | XUH | 156.25MHz |
XUL536100.000JS6I | IDT晶振 | OSC XO 100.0000MHZ LVDS SMD | XUL | 100MHz |
XUL536125.000JS6I | IDT晶振 | OSC XO 125.0000MHZ LVDS SMD | XUL | 125MHz |
XUN536100.000JS6I | IDT晶振 | OSC XO 100.0000MHZ HCSL SMD | XUN | 100MHz |
XUN536133.333JS6I | IDT晶振 | OSC XO 133.3330MHZ HCSL SMD | XUN | 133.333MHz |
XUP536100.000JS6I | IDT晶振 | OSC XO 100.0000MHZ LVPECL SMD | XUP | 100MHz |
XUP536125.000JS6I | IDT晶振 | OSC XO 125.0000MHZ LVPECL SMD | XUP | 125MHz |
XUP536150.000JS6I | IDT晶振 | OSC XO 150.0000MHZ LVPECL SMD | XUP | 150MHz |
XUP536156.250JS6I | IDT晶振 | OSC XO 156.2500MHZ LVPECL SMD | XUP | 156.25MHz |
XUL736125.000JU6I | IDT晶振 | OSC XO 125.0000MHZ LVDS SMD | XUL | 125MHz |
XUP736150.000JU6I | IDT晶振 | OSC XO 150.0000MHZ LVPECL SMD | XUP | 150MHz |
XUP736156.250JU6I | IDT晶振 | OSC XO 156.2500MHZ LVPECL SMD | XUP | 156.25MHz |
XUP736100.000JU6I | IDT晶振 | OSC XO 100.0000MHZ LVPECL SMD | XUP | 100MHz |
XUL736150.000JU6I | IDT晶振 | OSC XO 150.0000MHZ LVDS SMD | XUL | 150MHz |
XUP736125.000JU6I | IDT晶振 | OSC XO 125.0000MHZ LVPECL SMD | XUP | 125MHz |
XUL736100.000JU6I | IDT晶振 | OSC XO 100.0000MHZ LVDS SMD | XUL | 100MHz |
XUP536212.500JS6I | IDT晶振 | OSC XO 212.5000MHZ LVPECL SMD | XUP | 212.5MHz |
XUL736212.500JU6I | IDT晶振 | OSC XO 212.5000MHZ LVDS SMD | XUL | 212.5MHz |
XUL536212.500JS6I | IDT晶振 | OSC XO 212.5000MHZ LVDS SMD | XUL | 212.5MHz |
XUP736212.500JU6I | IDT晶振 | OSC XO 212.5000MHZ LVPECL SMD | XUP | 212.5MHz |
XUP535100.000JS6I8 | 有源晶振 | OSC XO 100.000MHZ LVPECL SMD | XUP | 100MHz |
XUP535125.000JS6I8 | IDT晶振 | OSC 125MHZ SMD | XUP | 125MHz |
XUP535150.000JS6I8 | IDT晶振 | OSC 150MHZ SMD | XUP | 150MHz |
XUL535212.500JS6I8 | IDT晶振 | OSC 212.5MHZ SMD | XUL | 212.5MHz |
XUP535212.500JS6I8 | IDT晶振 | OSC 212.5MHZ SMD | XUP | 212.5MHz |
XUL536150.000JS6I | IDT晶振 | OSC XO 150.0000MHZ LVDS SMD | XUL | 150MHz |
XUL535100.000JS6I | IDT晶振 | OSC XO 100.000MHZ LVDS SMD | XUL | 100MHz |
XUL535125.000JS6I | IDT晶振 | OSC 125MHZ SMD | XUL | 125MHz |
XUL535150.000JS6I | IDT晶振 | OSC 150MHZ SMD | XUL | 150MHz |
XUL535156.250JS6I | IDT晶振 | OSC 156.25MHZ SMD | XUL | 156.25MHz |
XUP535100.000JS6I | IDT晶振 | OSC XO 100.000MHZ LVPECL SMD | XUP | 100MHz |
XUP535125.000JS6I | IDT晶振 | OSC 125MHZ SMD | XUP | 125MHz |
XUP535150.000JS6I | IDT晶振 | OSC 150MHZ SMD | XUP | 150MHz |
XUP535156.250JS6I | IDT晶振 | OSC 156.25MHZ SMD | XUP | 156.25MHz |
XUN535100.000JS6I | IDT晶振 | OSC XO 100.000MHZ HCSL SMD | XUN | 100MHz |
XUL535212.500JS6I | IDT晶振 | OSC 212.5MHZ SMD | XUL | 212.5MHz |
XUP535212.500JS6I | IDT晶振 | OSC 212.5MHZ SMD | XUP | 212.5MHz |



1、技術支持:全方位技術指導,專業的技術支持讓您感受到前所未有的后顧無憂.
2、客服咨詢:專業的銷售團隊,耐心為您解答任何疑問,讓您的消費得到保障.
3、質量保證,誠信為本,上我司以“以科技為動力,以質量求生存,”為理念.
4、提升業績,降低成本為您的產品量身訂制,免費取樣,為您做到低成本,高效率.
3、質量保證,誠信為本,上我司以“以科技為動力,以質量求生存,”為理念.
4、提升業績,降低成本為您的產品量身訂制,免費取樣,為您做到低成本,高效率.


康比電子聯系方式:
Q Q: 577541227
電 話:0755-27876201
手 機: 13728742863
Email: kangbidz@163.com
網 址: http://www.siliconsi.com/
地 址: 廣東省深圳市寶安區41區33棟6層
Q Q: 577541227
電 話:0755-27876201
手 機: 13728742863
Email: kangbidz@163.com
網 址: http://www.siliconsi.com/
地 址: 廣東省深圳市寶安區41區33棟6層