企業博客
更多>>差分晶振HCSL驅動器輸出結構
來源:http://www.siliconsi.com 作者:康比電子 2019年06月29
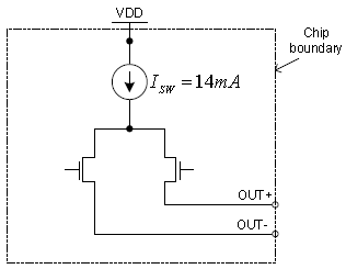
HCSL驅動器選項僅在某些SiTime差分晶振系列中可用.HCSL輸出結構(見圖1和圖3)由14毫安開關電流源驅動,通常通過50Ω電阻接地.如圖2所示,標稱信號擺幅為700毫伏.輸出端的開漏晶體管在幾千歐姆范圍內具有相當高的阻抗.從交流角度來看,輸出晶體管阻抗與50Ω負載電阻并聯,導致等效電阻非常接近50ω.由于該接口中使用的走線具有50Ω的特性阻抗,負載反射的任何信號都將在源端被吸收.通常,兩個小電阻R1和R2(見圖2)與高阻抗驅動器串聯放置.它們通過減緩輸出電流的快速上升起到過沖限制器的作用,對源阻抗匹配沒有影響.SiTime推薦這些電阻使用33Ω電阻.
典型的HCSL接口使用電流模式驅動器,在源端使用50Ω至GND端接,在接收器端不使用端接.此外,對于HCSL輸出驅動器,LVPECL差分晶振驅動器可用于驅動HCSL輸入.圖3顯示了驅動帶LVPECL輸出的HCSL接收機的推薦端接原理圖.為了滿足HCSL接收機要求的750毫伏的VOH電平和0V的VOL電平,它采用交流耦合電容來分離源和負載偏置電壓.
負載側的戴維寧等效端接也在接收器輸入端設置適當的共模電壓.電阻BR為LVPECL驅動器提供適當的DC偏置.對于2.5V和3.3V工作電壓,推薦的端接網絡元件值如圖3所示.
許多差分接收機具有片內DC偏置電路和/或終端網絡.在這種情況下,振蕩器輸出應該交流耦合.如果需要外部偏置,應根據接收器器件的數據表進行設計.
LVDS或LVPECL振蕩器可用于驅動自偏置差分輸入.LVDS輸出晶振需要更少的無源元件和更低的運行功率.如果700毫伏的LVDS擺幅對接收機來說足夠了,最好使用LVDS振蕩器.圖5顯示了LVDS振蕩器與自偏置差分接收器的接口.

圖1:HCSL驅動器輸出結構
圖2:HCSL接口終端
5.用LVPECL振蕩器驅動HCSL接收機典型的HCSL接口使用電流模式驅動器,在源端使用50Ω至GND端接,在接收器端不使用端接.此外,對于HCSL輸出驅動器,LVPECL差分晶振驅動器可用于驅動HCSL輸入.圖3顯示了驅動帶LVPECL輸出的HCSL接收機的推薦端接原理圖.為了滿足HCSL接收機要求的750毫伏的VOH電平和0V的VOL電平,它采用交流耦合電容來分離源和負載偏置電壓.
負載側的戴維寧等效端接也在接收器輸入端設置適當的共模電壓.電阻BR為LVPECL驅動器提供適當的DC偏置.對于2.5V和3.3V工作電壓,推薦的端接網絡元件值如圖3所示.

圖3:LVPECL至HCSL接口6利用LVPECL振蕩器驅動共模抑制接收機
大多數SiTime差分振蕩器沒有CML輸出選項,但它們可以使用LVPECL驅動器驅動CML接收器.在這種情況下,端接原理圖必須確保接收器輸入端的單端電壓擺幅為400毫伏,VDD共模電壓為200毫伏[2】.圖4顯示了驅動帶LVPECL輸出的CML接收器的推薦端接原理圖.由于LVPECL和CML共模電壓之間的巨大差異,DC電流隔離需要耦合電容.電阻RB用于LVPECL差分晶體驅動器的適當偏置.接收器端的戴維寧等效端接設置適當的偏置電壓,并與RB電阻一起確保適當的信號擺幅.
圖4:LVPECL至CML接口
7個自偏置差分輸入許多差分接收機具有片內DC偏置電路和/或終端網絡.在這種情況下,振蕩器輸出應該交流耦合.如果需要外部偏置,應根據接收器器件的數據表進行設計.
LVDS或LVPECL振蕩器可用于驅動自偏置差分輸入.LVDS輸出晶振需要更少的無源元件和更低的運行功率.如果700毫伏的LVDS擺幅對接收機來說足夠了,最好使用LVDS振蕩器.圖5顯示了LVDS振蕩器與自偏置差分接收器的接口.

圖5:帶有內部端接和偏置的LVDS驅動器與自偏置差分接收器的連接
LVPECL輸出可以在接收器上產生高達1.6V的差分晶振擺幅.圖6顯示了LVPECL振蕩器與自偏置差分接收器的連接示意圖.電阻RS在負載端產生一個分壓器.接收器輸入端的電壓擺幅可以通過選擇RS值來設置.RB為LVPECL驅動器提供DC偏置電流,其值可以從等式1計算.請注意,接收器將看到有效端接電阻值為RS+50Ω.
圖6:LVPECL驅動器與帶內部端接和偏置的自偏置差分接收器的連接.
為了保持信號的完整性,遙感器和銣應放置在傳輸線之前,盡可能靠近石英晶體振蕩器.負載端終端網絡應盡可能靠近接收器輸入端.
正在載入評論數據...
此文關鍵字: LVDS振蕩器SiTime差分振蕩器
相關資訊
- [2023-09-05]家用電器依賴Jauch晶振
- [2023-09-01]IQD常見問題
- [2023-06-29]6G小體積Q26.0-JXS21-12-10/20-...
- [2023-06-28]6G晶振X1G0036910116晶體振蕩器...
- [2020-07-07]TXC晶振強大之處原來可以從這點...
- [2019-08-26]電子書籍市場的晶振器件需具備小...
- [2019-08-22]低ESR50兆赫晶振優化性能
- [2019-08-13]為了您的應用選擇合適的晶振請仔...