康比電子roducts
國產晶振
臺產晶振
進口晶振
- 日本大真空晶振
- 愛普生晶振
- 精工晶振
- 西鐵城晶振
- 村田晶振
- 進口KSS晶振
- NDK晶振
- 大河石英晶振
- 美國CTS晶振
- 微晶晶振
- Abracon晶振
- ECS晶振
- Golledge晶振
- IDT晶振
- Jauch晶振
- Pletronics晶振
- 拉隆晶振
- SiTime晶振
- Statek晶振
- 格林雷晶振
- 康納溫菲爾德晶振
- 日蝕晶振
- 瑞康晶振
- 維管晶振
- AEK晶振
- AEL晶振
- Cardinal晶振
- Crystek晶振
- Euroquartz晶振
- FOX晶振
- Frequency晶振
- Geyer晶振
- KVG晶振
- ILSI晶振
- MERCURY晶振
- MMDCOMP晶振
- MtronPTI晶振
- QANTEK晶振
- QuartzCom晶振
- Quarztechnik晶振
- Suntsu晶振
- Transko晶振
- Wi2Wi晶振
- Fujicom晶振
- Interquip晶振
- ITTI晶振
- Lihom晶振
- MTI晶振
- NAKA晶振
- Oscilent晶振
- PDI晶振
- Rubyquartz晶振
- Shinsung晶振
- SMI晶振
- CTECH晶振
- IQD晶振
- Microchip晶振
- NJR晶振
- Silicon晶振
- Anderson晶振
- Fortiming晶振
- CORE晶振
- NIPPON晶振
- NICKC晶振
- QVS晶振
- Bomar晶振
- Bliley晶振
- GED晶振
- FILTRONETICS晶振
- STD晶振
- Q-Tech晶振
- Wenzel晶振
- NEL晶振
- EM晶振
- PETERMANN晶振
- FCD-Tech晶振
- HEC晶振
- FMI晶振
- Macrobizes晶振
- AXTAL晶振
- Sunny晶振
- 瑞薩Renesas晶振
- SKYWORKS晶振
車載電子
數碼電子
智能家居
時計產品
無線網絡
智能穿戴
醫療器械
無人機
0755-27876201
常見問題
更多>>.jpg)
.jpg)
Wi2wi時鐘振蕩器,LV7-T-C10000-M-C-D-3-R-X,以太網晶振,美國進口晶振,Wi2wi威爾威晶振,型號:LV7系列晶振,編碼為:LV7-T-C10000-M-C-D-3-R-X,頻率為:100.000MHz,小體積晶振尺寸:7.0x5.0x1.8mm封裝,六腳貼片晶振,LVDS輸出差分晶振,差分晶體振蕩器,石英晶體振蕩器,有源晶振,SMD晶振,石英晶振。LV7系列提供精確的定時在一個密封的包,這些高性能的時鐘振蕩器提供了非常低的集成相位抖動和優越的相位噪聲。為您的原型輸入需求、批量生產能力和有競爭力的價格提供快速周轉抽樣。貼片晶振,具有超小型,輕薄型,低抖動,低功耗,低相位噪聲,低電源電壓,低耗能,低損耗,低電平,高精度,高性能,高品質等特點。廣泛應用于:通訊設備、無線網絡,藍牙模塊,物聯網,機頂盒、光端機、安防設備、路由器,交換機、儀器儀表、光纖通信,以太網,安防設備等。
.jpg)
Wi2wi時鐘振蕩器,LV7-T-C10000-M-C-D-3-R-X,以太網晶振,參數表
Parameter | Supply Voltage *1 (±5%) | Units | ||
3.3 | 2.5 | V | ||
Frequency Range *1 | 24.000 | MHz | ||
Frequency Stability *1 | All Causes (Maximum ) *2 | Per Option | ppm | |
Temperature Range*1 | Operating | Per Option | °C | |
Storage | -55 to +125 | °C | ||
Supply Current (Maximum) | 40 | mA | ||
Output | Differential LVDS Squarewave | |||
Load (Typical) | Between Output and Comp Output | 100 | Ω | |
Duty Cycle (Maximum) | @ 50% Vcc | 45/55 | % | |
Rise/Fall Times (Maximum) | Rise Time (20% to 80% Vcc) | 0.4 | nS | |
Fall Time (80% to 20% Vcc) | 0.4 | |||
Start up Time (Maximum) | 10 | mS | ||
Output Voltage Levels | High Voh (RL = 100Ω) | 1.43 Typical , 1.60 Maximum | V | |
Low Vol (RL = 100Ω) | 0.90 Minimum , 1.10 Typical | |||
Differential Voltage | 250 Min , 350 Typ , 450 Max | mV | ||
Pin 1 (Tri-State) (Option) | High (See below) or Open | Enable | ||
Low (See below) *3 | Disable | |||
High Value (Minimum) | 70 | % Vcc | ||
Low Value (Maximum) *3 | 30 | % Vcc | ||
Disable Current (Typical) *3 | 10 | uA | ||
Enable Delay Time (Maximum) | 2 | mS | ||
Disable Delay Time (Maximum) | 0.2 | uS | ||
Integrated Phase Jitter (RMS) | 12KHz to 20MHz | 0.3 Typical , 1.0 Maximum | pS | |
Phase Noise (Typical) | @ 10KHz Offset | -138 | dBc/Hz | |
@ 100KHz Offset |
-144 |
.jpg)
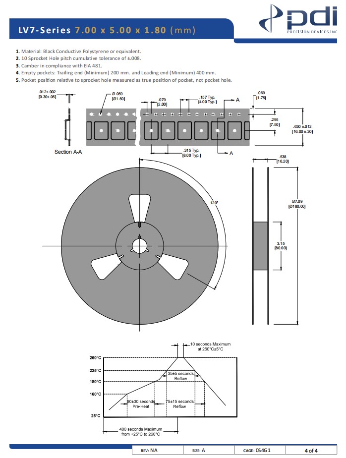
Wi2wi時鐘振蕩器,LV7-T-C10000-M-C-D-3-R-X,以太網晶振,尺寸圖
Wi2wi時鐘振蕩器,LV7-T-C10000-M-C-D-3-R-X,以太網晶振
差分晶振是普通貼片晶振所不能夠達到的,差分晶振具有低電平,低抖動,低功耗等特性.差分晶振作為目前行業中高要求,高技術石英晶體振蕩器,具有相位低,損耗低的特點,差分晶振使用于產品中能夠很容易地識別小信號,能夠從容精確地處理雙級信號,對外部電磁干擾(EMI)是高度免疫的,差分石英晶振滿足市場需求,實現高頻高精度等要求,更加保障了各種系統參考時鐘的可靠性.



1、技術支持:全方位技術指導,專業的技術支持讓您感受到前所未有的后顧無憂.
2、客服咨詢:專業的銷售團隊,耐心為您解答任何疑問,讓您的消費得到保障.
3、質量保證,誠信為本,上我司以“以科技為動力,以質量求生存,”為理念.
4、提升業績,降低成本為您的產品量身訂制,免費取樣,為您做到低成本,高效率.
3、質量保證,誠信為本,上我司以“以科技為動力,以質量求生存,”為理念.
4、提升業績,降低成本為您的產品量身訂制,免費取樣,為您做到低成本,高效率.


康比電子聯系方式:
Q Q: 577541227
電 話:0755-27876201
手 機: 13728742863
Email: kangbidz@163.com
網 址: http://www.siliconsi.com/
地 址: 廣東省深圳市寶安區41區33棟6層
Q Q: 577541227
電 話:0755-27876201
手 機: 13728742863
Email: kangbidz@163.com
網 址: http://www.siliconsi.com/
地 址: 廣東省深圳市寶安區41區33棟6層