康比電子roducts
國產晶振
臺產晶振
進口晶振
- 日本大真空晶振
- 愛普生晶振
- 精工晶振
- 西鐵城晶振
- 村田晶振
- 進口KSS晶振
- NDK晶振
- 大河石英晶振
- 美國CTS晶振
- 微晶晶振
- Abracon晶振
- ECS晶振
- Golledge晶振
- IDT晶振
- Jauch晶振
- Pletronics晶振
- 拉隆晶振
- SiTime晶振
- Statek晶振
- 格林雷晶振
- 康納溫菲爾德晶振
- 日蝕晶振
- 瑞康晶振
- 維管晶振
- AEK晶振
- AEL晶振
- Cardinal晶振
- Crystek晶振
- Euroquartz晶振
- FOX晶振
- Frequency晶振
- Geyer晶振
- KVG晶振
- ILSI晶振
- MERCURY晶振
- MMDCOMP晶振
- MtronPTI晶振
- QANTEK晶振
- QuartzCom晶振
- Quarztechnik晶振
- Suntsu晶振
- Transko晶振
- Wi2Wi晶振
- Fujicom晶振
- Interquip晶振
- ITTI晶振
- Lihom晶振
- MTI晶振
- NAKA晶振
- Oscilent晶振
- PDI晶振
- Rubyquartz晶振
- Shinsung晶振
- SMI晶振
- CTECH晶振
- IQD晶振
- Microchip晶振
- NJR晶振
- Silicon晶振
- Anderson晶振
- Fortiming晶振
- CORE晶振
- NIPPON晶振
- NICKC晶振
- QVS晶振
- Bomar晶振
- Bliley晶振
- GED晶振
- FILTRONETICS晶振
- STD晶振
- Q-Tech晶振
- Wenzel晶振
- NEL晶振
- EM晶振
- PETERMANN晶振
- FCD-Tech晶振
- HEC晶振
- FMI晶振
- Macrobizes晶振
- AXTAL晶振
- Sunny晶振
- 瑞薩Renesas晶振
- SKYWORKS晶振
車載電子
數碼電子
智能家居
時計產品
無線網絡
智能穿戴
醫療器械
無人機
0755-27876201
常見問題
更多>>
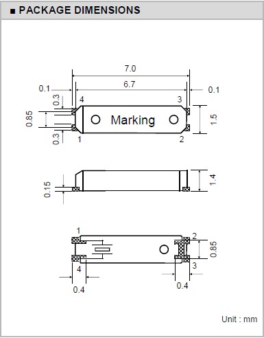
Transko晶振,CS71晶振,CS71A-32.768K-7-TR晶振,32.768K時鐘晶體具有小型,薄型,輕型的貼片晶振表面音叉型晶體振蕩器,產品具有優良的耐熱性,耐環境特性,可發揮晶振優良的電氣特性,符合RoHS規定,滿足無鉛焊接的高溫回流溫度曲線要求,金屬外殼的封裝使得產品在封裝時能發揮比陶瓷振蕩器外殼更好的耐沖擊性.
Transko晶振集團是一家位于加利福尼亞州阿納海姆的通過ISO 9001認證的變頻控制設備解決方案供應商,專業生產石英晶振,貼片晶振,有源晶振,壓控晶振,濾波器等頻率元件.通過質量和經驗,自1992年以來,其他許多其他產品我們得到了援助.
讓我們與眾不同的是Transko Advantage –具有快速交付能力。能夠在72小時內提供產品,高度積極的銷售人員為您的頻率控制要求提供優異的定價和解決方案。通過結合杰出員工的知識和廣泛背景,能夠解決和定制您的特定項目或設計需求。Transko團隊導向的環境和高效的生產人員不斷讓我們的客戶滿意,并使我們能夠提供最好的支持。
Transko宣布推出適用于基站,無線回程和核心網絡設備應用的新系列高穩定性TCXO TX-P系列。提供CMOS和削波正弦波輸出,在-10°C至60°C的工作溫度范圍內具有±0.05ppm的頻率穩定性,在-10°C至70°C范圍內具有±0.1ppm的頻率穩定度,這些器件還具有可選的電壓調整范圍線性10%時為±5ppm.
Transko晶振1993年在加利福尼亞州開設晶振生產工廠.為滿足客戶需求便以Transko晶振為公司品牌,開始生產成品石英晶體和石英晶體振蕩器,以及有源晶振等元件.Transko晶振,CS71晶振,CS71A-32.768K-7-TR晶振.
SPECIFICATION-Transko晶振 | CS71晶振 |
FREQUENCY | 32.768kHz |
FREQUENCY TOLERANCE @ 25ºC | ±20ppm, ±50ppm |
TEMPERATURE COEFFICIENT | -0.034ppm ±0.006 ppm / ºC 2 |
OPERATING TEMPERATURE RANGE | -40°C ~ 85°C |
STORAGE TEMPERATURE RANGE | -55°C ~ 125°C |
TURN OVER TEMPERATURE | 25°C ± 5°C |
LOAD CAPACITANCE | STD: 12.5pF (See P/N guide for other options) |
SHUNT CAPACITANCE | 1.20pF max. |
MOTIONAL CAPACITANCE | 0.0023pF typ. |
EQUIVALENT SERIES RESISTANCE | 65kΩ max. |
INSULATION RESISTANCE | 500MΩ min. @ 100V DC ± 15V DC |
DRIVE LEVEL | 0.1µW typ. 1.0µW max. |
AGING @ 25°C ± 3°C | ±3.0ppm / 1 st year max. |
SHOCK | ±5.0ppm max. |
VIBRATION |
±5.0ppm max. |
.jpg)


存儲事項
(1) 在更高或更低溫度或高濕度環境下長時間保存晶體產品時,會影響頻率穩定性或焊接性。請在正常溫度和濕度環境下保存這些晶體產品,并在開封后盡可能進行安裝,以免長期儲藏。
正常溫度和濕度:
溫度:+15°C 至 +35°C,濕度 25 % RH 至 85 % RH(請參閱“測試點JIS C 60068-1 / IEC 60068-1的標準條件”章節內容)。
(2) 請仔細處理內外盒與卷帶。外部壓力會導致卷帶受到損壞。
安裝時注意事項
耐焊性
加熱包裝材料至+150°C以上會破壞產品特性或損害產品。如需在+150°C以上焊接晶體產品,建議使用SMD產品。在下列回流條件下,對晶體產品甚至SMD產品使用更高溫度,會破壞產品特性。建議使用下列配置情況的回流條件。安裝這些產品之前,應檢查焊接溫度和時間。同時,在安裝條件更改的情況下,請再次進行檢查。如果需要焊接的石英晶體產品在下列配置條件下進行焊接,請聯系我們以獲取耐熱的相關信息。
(1)柱面式產品和DIP產品
型號 焊接條件
[ 柱面式 音叉晶振]
C-類型,C-2-類型,C-4-類型 +280°C或低于@最大值5 s
請勿加熱封裝材料超過+150°C
[ 柱面式 ]
CA-301
[ DIP ]
SG-51 / 531, SG-8002DB DC,
RTC-72421 / 7301DG +260°C或低于@最大值 10 s
請勿加熱封裝材料超過+150°C
(2)SMD晶振產品回流焊接條件(實例)
用于JEDEC J-STD-020D.01回流條件的耐熱可用性需個別判斷。請聯系我們以便獲取相關信息。
盡可能使溫度變化曲線保持平滑。Transko晶振,CS71晶振,CS71A-32.768K-7-TR晶振.


1、技術支持:全方位技術指導,專業的技術支持讓您感受到前所未有的后顧無憂.
2、客服咨詢:專業的銷售團隊,耐心為您解答任何疑問,讓您的消費得到保障.
3、質量保證,誠信為本,上我司以“以科技為動力,以質量求生存,”為理念.
4、提升業績,降低成本為您的產品量身訂制,免費取樣,為您做到低成本,高效率.
康比電子聯系方式:
Q Q: 577541227
電 話:0755-27876201
手 機: 13728742863
Email: kangbidz@163.com
網 址: http://www.siliconsi.com/
地 址: 廣東省深圳市寶安區41區33棟6層