康比電子roducts
國產晶振
臺產晶振
進口晶振
- 日本大真空晶振
- 愛普生晶振
- 精工晶振
- 西鐵城晶振
- 村田晶振
- 進口KSS晶振
- NDK晶振
- 大河石英晶振
- 美國CTS晶振
- 微晶晶振
- Abracon晶振
- ECS晶振
- Golledge晶振
- IDT晶振
- Jauch晶振
- Pletronics晶振
- 拉隆晶振
- SiTime晶振
- Statek晶振
- 格林雷晶振
- 康納溫菲爾德晶振
- 日蝕晶振
- 瑞康晶振
- 維管晶振
- AEK晶振
- AEL晶振
- Cardinal晶振
- Crystek晶振
- Euroquartz晶振
- FOX晶振
- Frequency晶振
- Geyer晶振
- KVG晶振
- ILSI晶振
- MERCURY晶振
- MMDCOMP晶振
- MtronPTI晶振
- QANTEK晶振
- QuartzCom晶振
- Quarztechnik晶振
- Suntsu晶振
- Transko晶振
- Wi2Wi晶振
- Fujicom晶振
- Interquip晶振
- ITTI晶振
- Lihom晶振
- MTI晶振
- NAKA晶振
- Oscilent晶振
- PDI晶振
- Rubyquartz晶振
- Shinsung晶振
- SMI晶振
- CTECH晶振
- IQD晶振
- Microchip晶振
- NJR晶振
- Silicon晶振
- Anderson晶振
- Fortiming晶振
- CORE晶振
- NIPPON晶振
- NICKC晶振
- QVS晶振
- Bomar晶振
- Bliley晶振
- GED晶振
- FILTRONETICS晶振
- STD晶振
- Q-Tech晶振
- Wenzel晶振
- NEL晶振
- EM晶振
- PETERMANN晶振
- FCD-Tech晶振
- HEC晶振
- FMI晶振
- Macrobizes晶振
- AXTAL晶振
- Sunny晶振
- 瑞薩Renesas晶振
- SKYWORKS晶振
車載電子
數碼電子
智能家居
時計產品
無線網絡
智能穿戴
醫療器械
無人機
0755-27876201
常見問題
更多>>
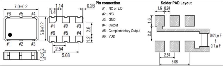
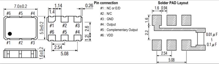
Shinsung晶振,SXO-P-S晶振,SXO-P-S-33ST-30HZ-12.000MHz晶振,小型SMD有源晶振,從最初超大體積到現在的7050mm,6035mm,5032mm,3225mm,2520mm體積,有著翻天覆地的改變,體積的變小也使產品帶來了更高的穩定性能,接縫密封石英晶體振蕩器,精度高,覆蓋頻率范圍寬的特點,SMD高速自動安裝和高溫回流焊設計,Optionable待機輸出三態輸出功能,電源電壓范圍:1.8V~5V,高穩定性,低抖動,低功耗,主要應用領域:無線通訊,高端智能手機,平板筆記本WLAN,藍牙,數碼相機,DSL和其他IT產品的晶振應用,三態功能,PC和LCDM等高端數碼領域,符合RoHS/無鉛.
Shinsung晶振自成立以來,一直堅守以顧客為中心,基于價值的管理,人類和諧的價值,為社會創造出巨大的價值.
我們認為我們的客戶是合作伙伴,并努力滿足并超越他們對質量,客戶服務和價值的要求我們是最新的Smd或通孔型晶體單元,時鐘OSC,TCXO,VCXO,MCF等,并提供高產品 質量穩定,穩定性高。產品廣泛應用于電子行業,包括電信,微處理器,汽車,儀器儀表和醫療應用。
Shinsung SAW Electronics在新的加工和測試結構設備上的投資確保公司將繼續提供卓越的設計,并提供持續的新產品流,以滿足客戶在當前和未來的需求。
我們將繼續追求質量管理,為客戶提供高品質的產品和服務.
SHNSUNG Crystal成立于1999年,中文新松晶振,主要研發生產銷售石英晶振,OSC振蕩器,TCXO振蕩器,貼片晶振等頻率元件,并確保每一顆晶振完美程度,以高質量,高穩定性的產品,吸引了無數懂行道的名家關注.Shinsung晶振,SXO-P-S晶振,SXO-P-S-33ST-30HZ-12.000MHz晶振.
frequency range | 0.75 ~ 160.0MHz | 160.1 ~ 800.0MHz | REMARK | |
frequency stability | ± 20ppm ~ ± 100ppm ( overall ) | |||
supply voltage V DD | 3.3V ± 5% | |||
input current | 100 mA max | |||
operating temperature | STD. -10℃ ~ 70℃ / Option : -40℃ ~ 90℃ | |||
storage temperature | -55℃ ~ 125℃ | |||
aging | ±3.0ppm max at +25℃ ±3℃ for first year | |||
intergrate jitter RMS | 1.0ps RMS (max) | 2.5ps RMS (max) | Intergrated 12KHz to 20MHz | |
output | high level | VDD-1.025V (RL = 50ohms to VDD-2VDC : LVPECL) | ||
low level | VDD-1.62V (RL = 50ohms to VDD-2VDC : LVPECL) | |||
symmetry | 55/45 @ VDD-1.3V (PECL) | |||
rise / fall time | 0.6ns typ. / 1.5ns max ( 20% to 80% of output waveform ) | |||
phase noise | @10 Hz | -75 | -65 | offset from carrier |
@100 Hz | -95 | -95 | ||
@1 KHz | -125 | -120 | ||
@10 KHz | -140 | -125 | ||
@100 KHz | -145 | -121 | ||
start up time | 10 mS MAX | |||
Tristate | enable : 0.7 V DD (min) / disable : 0.3 V DD (max) | |||
All specifications are subject to change without notice |
.jpg)


存儲事項
(1) 在更高或更低溫度或高濕度環境下長時間保存晶體產品時,會影響頻率穩定性或焊接性。請在正常溫度和濕度環境下保存這些晶體產品,并在開封后盡可能進行安裝,以免長期儲藏。
正常溫度和濕度:
溫度:+15°C 至 +35°C,濕度 25 % RH 至 85 % RH(請參閱“測試點JIS C 60068-1 / IEC 60068-1的標準條件”章節內容)。
(2) 請仔細處理內外盒與卷帶。外部壓力會導致卷帶受到損壞。
安裝時注意事項
耐焊性
加熱包裝材料至+150°C以上會破壞產品特性或損害產品。如需在+150°C以上焊接晶體產品,建議使用SMD產品。在下列回流條件下,對晶體產品甚至SMD產品使用更高溫度,會破壞產品特性。建議使用下列配置情況的回流條件。安裝這些產品之前,應檢查焊接溫度和時間。同時,在安裝條件更改的情況下,請再次進行檢查。如果需要焊接的石英晶體產品在下列配置條件下進行焊接,請聯系我們以獲取耐熱的相關信息。
(1)柱面式產品和DIP產品
型號 焊接條件
[ 柱面式 音叉晶振]
C-類型,C-2-類型,C-4-類型 +280°C或低于@最大值5 s
請勿加熱封裝材料超過+150°C
[ 柱面式 ]
CA-301
[ DIP ]
SG-51 / 531, SG-8002DB DC,
RTC-72421 / 7301DG +260°C或低于@最大值 10 s
請勿加熱封裝材料超過+150°C
(2)SMD晶振產品回流焊接條件(實例)
用于JEDEC J-STD-020D.01回流條件的耐熱可用性需個別判斷。請聯系我們以便獲取相關信息。
盡可能使溫度變化曲線保持平滑。Shinsung晶振,SXO-P-S晶振,SXO-P-S-33ST-30HZ-12.000MHz晶振.


1、技術支持:全方位技術指導,專業的技術支持讓您感受到前所未有的后顧無憂.
2、客服咨詢:專業的銷售團隊,耐心為您解答任何疑問,讓您的消費得到保障.
3、質量保證,誠信為本,上我司以“以科技為動力,以質量求生存,”為理念.
4、提升業績,降低成本為您的產品量身訂制,免費取樣,為您做到低成本,高效率.
康比電子聯系方式:
Q Q: 577541227
電 話:0755-27876201
手 機: 13728742863
Email: kangbidz@163.com
網 址: http://www.siliconsi.com/
地 址: 廣東省深圳市寶安區41區33棟6層
