康比電子roducts
國產晶振
臺產晶振
進口晶振
- 日本大真空晶振
- 愛普生晶振
- 精工晶振
- 西鐵城晶振
- 村田晶振
- 進口KSS晶振
- NDK晶振
- 大河石英晶振
- 美國CTS晶振
- 微晶晶振
- Abracon晶振
- ECS晶振
- Golledge晶振
- IDT晶振
- Jauch晶振
- Pletronics晶振
- 拉隆晶振
- SiTime晶振
- Statek晶振
- 格林雷晶振
- 康納溫菲爾德晶振
- 日蝕晶振
- 瑞康晶振
- 維管晶振
- AEK晶振
- AEL晶振
- Cardinal晶振
- Crystek晶振
- Euroquartz晶振
- FOX晶振
- Frequency晶振
- Geyer晶振
- KVG晶振
- ILSI晶振
- MERCURY晶振
- MMDCOMP晶振
- MtronPTI晶振
- QANTEK晶振
- QuartzCom晶振
- Quarztechnik晶振
- Suntsu晶振
- Transko晶振
- Wi2Wi晶振
- Fujicom晶振
- Interquip晶振
- ITTI晶振
- Lihom晶振
- MTI晶振
- NAKA晶振
- Oscilent晶振
- PDI晶振
- Rubyquartz晶振
- Shinsung晶振
- SMI晶振
- CTECH晶振
- IQD晶振
- Microchip晶振
- NJR晶振
- Silicon晶振
- Anderson晶振
- Fortiming晶振
- CORE晶振
- NIPPON晶振
- NICKC晶振
- QVS晶振
- Bomar晶振
- Bliley晶振
- GED晶振
- FILTRONETICS晶振
- STD晶振
- Q-Tech晶振
- Wenzel晶振
- NEL晶振
- EM晶振
- PETERMANN晶振
- FCD-Tech晶振
- HEC晶振
- FMI晶振
- Macrobizes晶振
- AXTAL晶振
- Sunny晶振
- 瑞薩Renesas晶振
- SKYWORKS晶振
車載電子
數碼電子
智能家居
時計產品
無線網絡
智能穿戴
醫療器械
無人機
0755-27876201
常見問題
更多>>
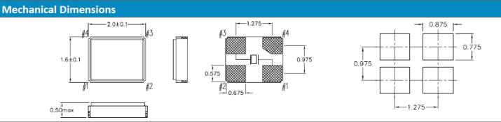
Quarztechnik晶振,QTC20晶振,QTC2012.0000FBT3I30R晶振,貼片晶振本身體積小,超薄型石英晶體振蕩器,特別適用于有目前高速發展的高端電子數碼產品,因為晶振本身小型化需求的市場領域,小型,薄型是對應陶瓷振蕩器(偏差大)和普通的石英晶體振蕩器(偏差小)的中間領域的一種性價比較出色的產品.產品廣泛用于筆記本電腦,無線電話,衛星導航SSD,USB,Blu-ray等用途,符合無鉛焊接的高溫回流焊曲線特性.
Quarztechnik晶振作為德國振蕩石英晶體和振蕩器制造商已有50多年的歷史,我們生產各種產品 - 從通道晶體,振蕩石英晶體和石英振蕩器到基于壓電單晶的傳感器元件。我們的產品應用于所有類型的無線電應用,如用于制造振蕩器和壓力,溫度和質量敏感傳感器元件的精密晶體。
除標準振蕩器外,我們還生產TCXO和VCTCXO。
我們是德國領先的石英晶體制造商之一。我們的優勢在于我們能夠在極短時間內將客戶的具體要求變為現實。我們廣泛的產品范圍使我們能夠處理石英技術的許多方面,為客戶提供物有所值的價格和穩定的價格。
Quarztechnik晶振是德國先進頻率控制元器件供應商代表,從業50多年來,Quarztechnik Crystal一直處于技術前沿的地位,夸克晶振是翻譯后的中文名字,目前在中國大陸市場嶄露頭角,致力于向市場供應優質的Quarztechnik有源晶振,時鐘振蕩器,溫補晶振等產品,并以卓越的性能,實惠的價格贏得各大知名企業的歡迎,生產出來的產品備受市場的關注.Quarztechnik晶振,QTC20晶振,QTC2012.0000FBT3I30R晶振.
General Specifications | ||
Frequency Range | 20.000 to 52.000MHz (Fundamental) | |
Frenquency Tolerance at 25°C | ±10 to ±30ppm (±30ppm standard) | |
Frequency Stability over Temperature Range | See Stability vs. Temperature Table | |
Storage Temperature | -40 to +85°C | |
Aging per Year | ±3ppm max. | |
Load Capacitance C L | 7 to 32pF and Series Resonance | |
Shunt Capacitance C 0 | 7.0pF max. | |
Equivalent Series Resistance (ESR) | See ESR Table | |
Drive Level | 50μW max. | |
Insulation Resistance (MΩ) | 500 at 100Vdc ±15Vdc |
.jpg)

自動安裝時的沖擊:
石英晶振自動安裝和真空化引發的沖擊會破壞產品特性并影響這些產品。請設置安裝條件以盡可能將沖擊降至最低,并確保在安裝前未對晶振特性產生影響。條件改變時,請重新檢查安裝條件。同時,在安裝前后,請確保石英晶振產品未撞擊機器或其他電路板等。
每個封裝類型的注意事項
陶瓷包裝晶振與SON產品
在焊接陶瓷封裝晶振(陶瓷晶振)和SON產品 (陶瓷包裝是指晶振外觀采用陶瓷制品) 之后,彎曲電路板會因機械應力而導致焊接部分剝落或封裝分裂(開裂)。尤其在焊接這些產品之后進行電路板切割時,務必確保在應力較小的位置布局晶體并采用應力更小的切割方法。
陶瓷包裝石英晶振
在一個不同擴張系數電路板(環氧玻璃)上焊接陶瓷封裝石英晶振時,在溫度長時間重復變化時可能導致端子焊接部分發生斷裂,請事先檢查焊接特性。Quarztechnik晶振,QTC20晶振,QTC2012.0000FBT3I30R晶振.
1、技術支持:全方位技術指導,專業的技術支持讓您感受到前所未有的后顧無憂.
2、客服咨詢:專業的銷售團隊,耐心為您解答任何疑問,讓您的消費得到保障.
3、質量保證,誠信為本,上我司以“以科技為動力,以質量求生存,”為理念.
4、提升業績,降低成本為您的產品量身訂制,免費取樣,為您做到低成本,高效率.
康比電子聯系方式:
Q Q: 577541227
電 話:0755-27876201
手 機: 13728742863
Email: kangbidz@163.com
網 址: http://www.siliconsi.com/
地 址: 廣東省深圳市寶安區41區33棟6層