康比電子roducts
國產晶振
臺產晶振
進口晶振
- 日本大真空晶振
- 愛普生晶振
- 精工晶振
- 西鐵城晶振
- 村田晶振
- 進口KSS晶振
- NDK晶振
- 大河石英晶振
- 美國CTS晶振
- 微晶晶振
- Abracon晶振
- ECS晶振
- Golledge晶振
- IDT晶振
- Jauch晶振
- Pletronics晶振
- 拉隆晶振
- SiTime晶振
- Statek晶振
- 格林雷晶振
- 康納溫菲爾德晶振
- 日蝕晶振
- 瑞康晶振
- 維管晶振
- AEK晶振
- AEL晶振
- Cardinal晶振
- Crystek晶振
- Euroquartz晶振
- FOX晶振
- Frequency晶振
- Geyer晶振
- KVG晶振
- ILSI晶振
- MERCURY晶振
- MMDCOMP晶振
- MtronPTI晶振
- QANTEK晶振
- QuartzCom晶振
- Quarztechnik晶振
- Suntsu晶振
- Transko晶振
- Wi2Wi晶振
- Fujicom晶振
- Interquip晶振
- ITTI晶振
- Lihom晶振
- MTI晶振
- NAKA晶振
- Oscilent晶振
- PDI晶振
- Rubyquartz晶振
- Shinsung晶振
- SMI晶振
- CTECH晶振
- IQD晶振
- Microchip晶振
- NJR晶振
- Silicon晶振
- Anderson晶振
- Fortiming晶振
- CORE晶振
- NIPPON晶振
- NICKC晶振
- QVS晶振
- Bomar晶振
- Bliley晶振
- GED晶振
- FILTRONETICS晶振
- STD晶振
- Q-Tech晶振
- Wenzel晶振
- NEL晶振
- EM晶振
- PETERMANN晶振
- FCD-Tech晶振
- HEC晶振
- FMI晶振
- Macrobizes晶振
- AXTAL晶振
- Sunny晶振
- 瑞薩Renesas晶振
- SKYWORKS晶振
車載電子
數碼電子
智能家居
時計產品
無線網絡
智能穿戴
醫療器械
無人機
0755-27876201
常見問題
更多>>.jpg)
.jpg)
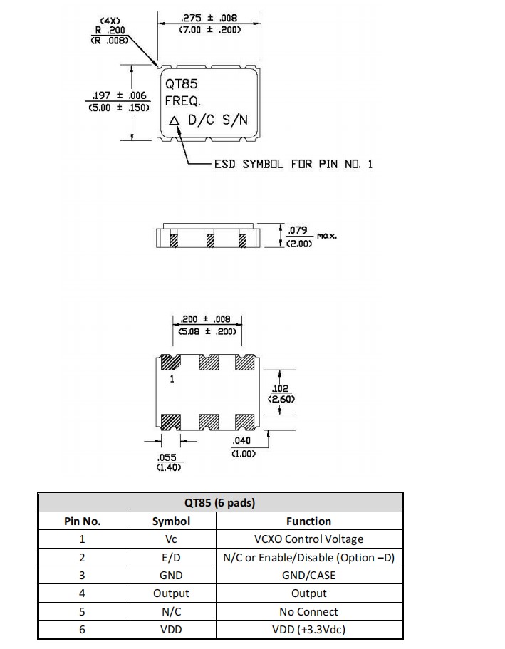
QT85VFP7M-125.000MHz,7050mm,Q-Tech晶振,VCXO晶振,QT85VFP,差分晶振,美國進口晶振,Q-Tech晶振,型號:QT85VFP,編碼為:QT85VFP7M-125.000MHz,電壓:+3.3V,VCXO壓控晶振,LVPECL輸出差分晶振,頻率為:125.000MHz,工作溫度范圍:-40℃至+85℃,小體積晶振尺寸:7.0x5.0mm,六腳貼片晶振,石英晶振,差分晶體振蕩器,有源晶振。Q-Tech的5x7mm LVPECL電壓控制晶體振蕩器由一個在3.3Vdc下工作的IC電路和一個在基頻下工作的微型帶石英晶體組成。該系列提供了各種陶瓷封裝配置,從真正的表面安裝SMT到直的引線和形成的引線。這是最小的包裝提供了一個兩點晶體安裝或一個四點為高沖擊和高可靠性的軍事應用。應用:ATM/SONET/SDH,導彈發射,局域網/WAN數據,測試和測量,寬帶接入,以太網,千兆以太網等應用。
QT85VFP7M-125.000MHz,7050mm,Q-Tech晶振,VCXO晶振,QT85VFP,差分晶振,產品特點:
●ECCN:EAR99
●創新的四點安裝條形晶體諧振器選項
●頻率范圍,120MHz至125MHz密封包裝
●占地面積小,LVPECL輸出
●工作電源電壓3.3Vdc
●工作溫度范圍廣,-55°C至105°C壓控振蕩器
●選項啟用/禁用(-D)
●基礎設計允許低抖動性能,低相位噪聲
●根據MIL-PRF-55310,B級進行全面或部分篩查
●高抗震機械沖擊,半正弦,0.3ms,所有軸帶4點安裝(-F)
●可選熱浸焊,Sn60Pb40或SAC305
●符合RoHS
.jpg)
.jpg)
QT85VFP7M-125.000MHz,7050mm,Q-Tech晶振,VCXO晶振,QT85VFP,差分晶振,參數表
PARAMETERS | LIMITS | COMMENTS | ||||||||||||||
Output Frequency Range (Fo) | 120MHz – 125MHz | |||||||||||||||
Supply Voltage (Vdd) | +3.3Vdc ± 5% | |||||||||||||||
Maximum Applied Voltage (Vdd max.) | +5Vdc | |||||||||||||||
Operating Temperature (Top) | See Ordering Information | |||||||||||||||
Storage Temperature (Tsto) | -62°C to +125°C | |||||||||||||||
Supply Current (Idd) | 50mA max. | No Load | ||||||||||||||
Load | 15pF | |||||||||||||||
Duty Cycle (Sym) | 40/60% max. 45/55% typ. | Measured at ½ waveform | ||||||||||||||
Rise and Fall Times (Tr/Tf) | 600ps max., 400pstyp. |
Measured Between 20% and 80% or 80% and 20% output waveform |
||||||||||||||
Start-Up Time (Tstup) | 10ms Max. | |||||||||||||||
Output Voltage High (VOH) | Vdd-1.025V min., Vdd-0.880V max. | RL=50? into Vdd-2Vdc | ||||||||||||||
Output Voltage Low (VOL) | Vdd-1.810V min., Vdd-1.620V max. | |||||||||||||||
Enable/Disable (Option D) |
VIH ≥ 0.9Vcc Oscillation VIL ≤ 0.1Vcc Output Disabled |
|||||||||||||||
Absolute Pull Range (APR) | ±30ppm min. | |||||||||||||||
Linearity (Lin) | ±10% max., ±5% typ. | |||||||||||||||
Gain Transfer (Kv) | ±60ppm/V to ±80ppm/V typ. | |||||||||||||||
Control Voltage Range (Vc) | 0V to 3.3Vdc | |||||||||||||||
Modulation Bandwidth (BW) | 10kHz min., 30kHz typ. | With Vc = 0V to 3.3V, -3dB | ||||||||||||||
Aging at +70°C ± 3°C |
±5ppm First Year Max. ±2ppm Max. Each Year Thereafter |
|||||||||||||||
Integrated Phase Jitter | 1ps Max., 200fstyp. | 12kHz to 20MHz | ||||||||||||||
Period Jitter RMS | 5ps max. , 2.5pstyp. | |||||||||||||||
Phase Noise, relative to carrier (typ.) |
10Hz -70dBc/Hz 100Hz -98dBc/Hz 1kHz -125dBc/Hz 10kHz -145dBc/Hz 100kHz -150dBc/Hz 1MHz -150dBc/Hz |
Measured at Vc = 0.3V to 3.0Vdc |


1、技術支持:全方位技術指導,專業的技術支持讓您感受到前所未有的后顧無憂.
2、客服咨詢:專業的銷售團隊,耐心為您解答任何疑問,讓您的消費得到保障.
3、質量保證,誠信為本,上我司以“以科技為動力,以質量求生存,”為理念.
4、提升業績,降低成本為您的產品量身訂制,免費取樣,為您做到低成本,高效率.
3、質量保證,誠信為本,上我司以“以科技為動力,以質量求生存,”為理念.
4、提升業績,降低成本為您的產品量身訂制,免費取樣,為您做到低成本,高效率.


康比電子聯系方式:
Q Q: 577541227
電 話:0755-27876201
手 機: 13728742863
Email: kangbidz@163.com
網 址: http://www.siliconsi.com/
地 址: 廣東省深圳市寶安區41區33棟6層
Q Q: 577541227
電 話:0755-27876201
手 機: 13728742863
Email: kangbidz@163.com
網 址: http://www.siliconsi.com/
地 址: 廣東省深圳市寶安區41區33棟6層