康比電子roducts
國產晶振
臺產晶振
進口晶振
- 日本大真空晶振
- 愛普生晶振
- 精工晶振
- 西鐵城晶振
- 村田晶振
- 進口KSS晶振
- NDK晶振
- 大河石英晶振
- 美國CTS晶振
- 微晶晶振
- Abracon晶振
- ECS晶振
- Golledge晶振
- IDT晶振
- Jauch晶振
- Pletronics晶振
- 拉隆晶振
- SiTime晶振
- Statek晶振
- 格林雷晶振
- 康納溫菲爾德晶振
- 日蝕晶振
- 瑞康晶振
- 維管晶振
- AEK晶振
- AEL晶振
- Cardinal晶振
- Crystek晶振
- Euroquartz晶振
- FOX晶振
- Frequency晶振
- Geyer晶振
- KVG晶振
- ILSI晶振
- MERCURY晶振
- MMDCOMP晶振
- MtronPTI晶振
- QANTEK晶振
- QuartzCom晶振
- Quarztechnik晶振
- Suntsu晶振
- Transko晶振
- Wi2Wi晶振
- Fujicom晶振
- Interquip晶振
- ITTI晶振
- Lihom晶振
- MTI晶振
- NAKA晶振
- Oscilent晶振
- PDI晶振
- Rubyquartz晶振
- Shinsung晶振
- SMI晶振
- CTECH晶振
- IQD晶振
- Microchip晶振
- NJR晶振
- Silicon晶振
- Anderson晶振
- Fortiming晶振
- CORE晶振
- NIPPON晶振
- NICKC晶振
- QVS晶振
- Bomar晶振
- Bliley晶振
- GED晶振
- FILTRONETICS晶振
- STD晶振
- Q-Tech晶振
- Wenzel晶振
- NEL晶振
- EM晶振
- PETERMANN晶振
- FCD-Tech晶振
- HEC晶振
- FMI晶振
- Macrobizes晶振
- AXTAL晶振
- Sunny晶振
- 瑞薩Renesas晶振
- SKYWORKS晶振
車載電子
數碼電子
智能家居
時計產品
無線網絡
智能穿戴
醫療器械
無人機
0755-27876201
常見問題
更多>>
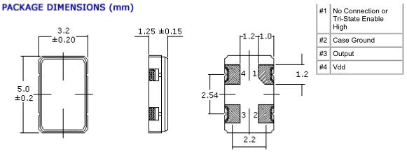
Oscilent晶振,432-12.0M-3EN-TTS晶振,石英晶體振蕩器,5032mm體積的石英晶體振蕩器,有源晶振,該產品可驅動2.5V的溫補晶振,VCXO壓控晶振,VC-TCXO晶體振蕩器產品,電源電壓的低電耗型,編帶包裝方式,可對應自動高速貼片機自動焊接,及IR回流焊接(無鉛對應),為無鉛產品,超小型,質地輕.產品被廣泛應用到集成電路,程控交換系統,無線發射基站.
Oscilent已經完成了其最先進的RF濾波器和標準SAW濾波器制造生產設施的擴展。此次擴張使生產能力提高了26%以上,鞏固了Oscilent作為全球第四大SAW過濾器生產制造商的地位。
投資擴展到生產的各個方面,包括射頻濾波器和其他SAW濾波器工程能力。容量的增加以及其他開發工程師的招聘將進一步增強Oscilent對標準和定制RF濾波器和IF濾波器產品的快速周轉樣品的能力。額外的研發能力將降低定制產品的開發成本,并允許我們的客戶群更快地完成技術支持咨詢。
Oscilent是頻率控制產品的世界級制造商,包括創新和技術先進的移動通信設備,包括雙工器,RF濾波器和IF SAW濾波器產品。這種專業知識擴展到多媒體(DAB / DMB,CATV,DTV),無線電通信(WLAN,WLL,ISM頻段,GPS)以及衛星和彈藥通信。
Oscilent晶振擁有頂尖的頻率元件制造技術,Oscilent Crystal公司主打的石英晶體,有源晶振,陶瓷諧振器和聲表濾波器在市場上非常受歡迎,每一顆Oscilent貼片晶振都是精品.Oscilent晶振,432-12.0M-3EN-TTS晶振,石英晶體振蕩器.
PARAMETERS | CONDITIONS | CHARACTERISTICS | UNITS | |
Output Logic | - | HCMOS / TTL Output | - | |
Input Voltage (Vdd) | - | 3.3 ±10% (typ.) , 5.0 ±10% (typ.) , Others Avail. | VDC | |
Frequency Range (f O ) | - | 0.312 ~ 125.00 | MHz | |
Operating Temperature (T OPR ) | - | 0 ~ +70 (Std.) / -40 ~ 85 (Option) | °C | |
Storage Temperature (T STG ) | - | -55 ~ +125 | °C | |
Frequency Stability | a + b + c + d | ±20, ±25, ±50, ±100 max. | PPM | |
(a) Frequency Tolerance | Inclusive of Overall Stability | - | ||
(b) Temperature Stability | Inclusive of Overall Stability (Operating Temperature) | - | ||
(c) Input Voltage Stability | Inclusive of Overall Stability (Vdd ±5%) | - | ||
(d) Load Stability | Inclusive of Overall Stability (RL ±5%) | - | ||
Current Consumption | - | 10 ~ 45 (35) max. | 15 ~ 85 (50) max. | mA |
Aging | @ 25°C | ±5 max. | PPM/Y | |
Rise Time (T R ) / Fall Time (T F ) | < 23.999 MHz | 10 max. | nS | |
24.00 ~ 70.00 MHz | 6 max. | |||
70.001 ~ 125.00 MHz | 4 max. | |||
PIN 1 Tri-State Input Voltage (Option) | - | Vh (Pin 1) No Connection : Enables Output | - | |
- | Vh (Vih) > 2.2 Vdc : Enables Output | |||
- | Vl (Vil) < 0.8 Vdc : Disables Output (High Impedance) | |||
Output Voltage High "1" VOH | TTL Load | 2.4 min. | VDC | |
HCMOS Load | Vdd * 0.9 min. | |||
Output Voltage Low "0" VOL | TTL Load | 0.4 max. | VDC | |
HCMOS Load | Vdd * 0.1 min. | |||
Duty Cycle | - | 50 ±10 (Std.) / 50 ±5 (Option) | % | |
Start-Up Time (T S ) | - | 10 max. | mS | |
Jitter | (One Sigma) | ±25 max. |
ps |
.jpg)


(1) 理想情況下,機械蜂鳴器應安裝在一個獨立于石英晶體器件的PCB板上。如果您安裝在同一個PCB板上,最好使用余量或切割PCB。當應用于PCB板本身或PCB板體內部時,機械振動程度有所不同。建議遵照內部板體特性。
(2) 在設計時請參考相應的推薦封裝。
(3) 在使用焊料助焊劑時,按JIS標準(JISC 60068-2-20/IEC60,068-2-20).來使用。
(4) 請按JIS標準(JIS Z 3282, Pb 含量 1000ppm, 0.1wt% 或更少)來使用無鉛焊料。
存儲事項
(1) 在更高或更低溫度或高濕度環境下長時間保存晶振時,會影響頻率穩定性或焊接性。請在正常溫度和濕度環境下保存這些石英晶振產品,并在開封后盡可能進行安裝,以免長期儲藏。
正常溫度和濕度:
溫度:+15°C 至 +35°C,濕度 25 % RH 至 85 % RH(請參閱“測試點JISC60068-1/IEC60068-1的標準條件”章節內容)。
(2) 請仔細處理內外盒與卷帶。外部壓力會導致卷帶受到損壞。Oscilent晶振,432-12.0M-3EN-TTS晶振,石英晶體振蕩器.


1、技術支持:全方位技術指導,專業的技術支持讓您感受到前所未有的后顧無憂.
2、客服咨詢:專業的銷售團隊,耐心為您解答任何疑問,讓您的消費得到保障.
3、質量保證,誠信為本,上我司以“以科技為動力,以質量求生存,”為理念.
4、提升業績,降低成本為您的產品量身訂制,免費取樣,為您做到低成本,高效率.
康比電子聯系方式:
Q Q: 577541227
電 話:0755-27876201
手 機: 13728742863
Email: kangbidz@163.com
網 址: http://www.siliconsi.com/
地 址: 廣東省深圳市寶安區41區33棟6層