康比電子roducts
國產晶振
臺產晶振
進口晶振
- 日本大真空晶振
- 愛普生晶振
- 精工晶振
- 西鐵城晶振
- 村田晶振
- 進口KSS晶振
- NDK晶振
- 大河石英晶振
- 美國CTS晶振
- 微晶晶振
- Abracon晶振
- ECS晶振
- Golledge晶振
- IDT晶振
- Jauch晶振
- Pletronics晶振
- 拉隆晶振
- SiTime晶振
- Statek晶振
- 格林雷晶振
- 康納溫菲爾德晶振
- 日蝕晶振
- 瑞康晶振
- 維管晶振
- AEK晶振
- AEL晶振
- Cardinal晶振
- Crystek晶振
- Euroquartz晶振
- FOX晶振
- Frequency晶振
- Geyer晶振
- KVG晶振
- ILSI晶振
- MERCURY晶振
- MMDCOMP晶振
- MtronPTI晶振
- QANTEK晶振
- QuartzCom晶振
- Quarztechnik晶振
- Suntsu晶振
- Transko晶振
- Wi2Wi晶振
- Fujicom晶振
- Interquip晶振
- ITTI晶振
- Lihom晶振
- MTI晶振
- NAKA晶振
- Oscilent晶振
- PDI晶振
- Rubyquartz晶振
- Shinsung晶振
- SMI晶振
- CTECH晶振
- IQD晶振
- Microchip晶振
- NJR晶振
- Silicon晶振
- Anderson晶振
- Fortiming晶振
- CORE晶振
- NIPPON晶振
- NICKC晶振
- QVS晶振
- Bomar晶振
- Bliley晶振
- GED晶振
- FILTRONETICS晶振
- STD晶振
- Q-Tech晶振
- Wenzel晶振
- NEL晶振
- EM晶振
- PETERMANN晶振
- FCD-Tech晶振
- HEC晶振
- FMI晶振
- Macrobizes晶振
- AXTAL晶振
- Sunny晶振
- 瑞薩Renesas晶振
- SKYWORKS晶振
車載電子
數碼電子
智能家居
時計產品
無線網絡
智能穿戴
醫療器械
無人機
0755-27876201
常見問題
更多>>
NX2520SA-16MHZ-STD-CSW-5 8pF 2520 16MHz -40℃~+85℃無線設備晶振, 日本電波工業株式NDK晶振,進口晶振型號NX2520SA,編碼NX2520SA-16MHZ-STD-CSW-5,是一款小體積晶振尺寸2.5x2.0mm四腳貼片晶振,石英晶振,無源晶振,石英晶體諧振器,無鉛環保晶振,頻率范圍:16MHz~80MHz,具有超小型,輕薄型,優異的耐環境性能,耐熱和耐沖擊性,回流溫度曲線(可用于無鉛焊接),應用于:電信設備,短程無線設備,消費設備功能,適用于短程無線設備如藍牙、Wi-Fi,以及參考時鐘源如智能手機和平板電腦。
.jpg)
NX2520SA-16MHZ-STD-CSW-5 8pF 2520 16MHz -40℃~+85℃無線設備晶振,參數圖
Item | Model | NX2520SA | ||
Standard | Standard | Optional | ||
Nominal Frequency (MHz) | 16 ≤ F ≤ 80 | 16 ≤ F ≤ 54 | 16 ≤ F ≤ 80 | |
Overtone Order | Fundamental | |||
Frequency Tolerance | ±15 × 10−6 | ±10 × 10–6 |
±8×10-6 (16 ≤ F ≤ 40MHz) ±12×10-6 (40 < F ≤ 80MHz) |
|
(25 ±3 °C) | ||||
Frequency versus Temperature | ±25 × 10−6 | ±10 × 10–6 | ±10 × 10–6 | |
Characteristics | (Temp extended case, *1) | |||
(with reference to +25 °C) | ||||
Operating Temperature | −40 to +85 | –20 to +75 | –20 to +75 | |
Range(°C) | (–40 to +85 °C Extended) | |||
Storage Temperature Range (°C) | −40 to +85 | −40 to +125 | ||
Equivalent Series Resistance | Refer to *2 | Refer to *3 | Refer to *2 | |
Level of Drive (μW) | 10 (Max. 100) | 10 (Max. 200) *1 | ||
Load Capacitance (pF) | 8 | 6 to 32 | ||
Frequency Aging (+25 °C) | --- | Max. ±3×10-6 / year *1 | ||
Specifications Number | STD-CSW-6 | STD-CSX-1 | Refer to *4 |
.jpg)
NX2520SA-16MHZ-STD-CSW-5 8pF 2520 16MHz -40℃~+85℃無線設備晶振,尺寸圖

NX2520SA-16MHZ-STD-CSW-5 8pF 2520 16MHz -40℃~+85℃無線設備晶振
安裝條件:
請確保在以下條件下使用該產品。否則,可能會導致產品的特性惡化或破壞
(1)回流焊耐熱性
峰值溫度:265℃,10sec.
加熱: 230℃或更高,40秒
預熱:150~180℃,120秒
回流通過時間:2次
(2)手動焊接耐熱性
在終端電極上按壓400°C的焊鐵4秒鐘(兩次)
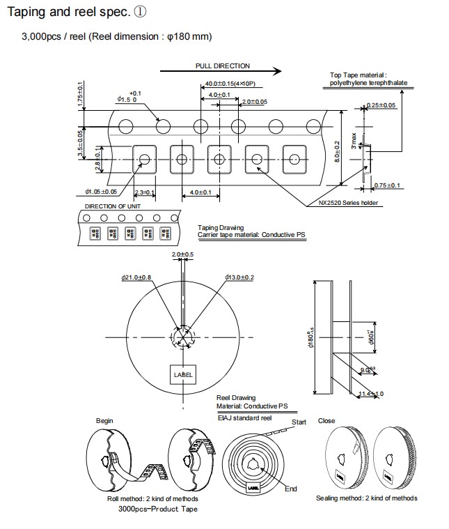
NX2520SA-16MHZ-STD-CSW-5 8pF 2520 16MHz -40℃~+85℃無線設備晶振,膠帶和卷軸規格
石英晶振 | 品牌 | 型號 | 頻率 | 頻率穩定度 | 包裝/封裝 |
NX2520SA-16MHZ-STD-CSW-4 | NDK晶振 | NX2520SA | 16MHz | ±15ppm | 4-SMD, No Lead |
NX2520SA-16.000000MHZ | NDK晶振 | NX2520SA | 16MHz | ±10ppm | 4-SMD, No Lead |
NX2520SA-24.000000MHZ | NDK晶振 | NX2520SA | 24MHz | ±10ppm | 4-SMD, No Lead |
NX2520SA-24.000000MHZ-B8 | NDK晶振 | NX2520SA | 24MHz | ±10ppm | 4-SMD, No Lead |
NX2520SA-48.000000MHZ | NDK晶振 | NX2520SA | 48MHz | ±10ppm | 4-SMD, No Lead |
NX2520SA-16MHZ-EXS00A-CS05116 | NDK晶振 | NX2520SA | 16MHz | ±15ppm | 4-SMD, No Lead |
NX2520SA-25.000M-STD-CSW-5 | NDK晶振 | NX2520SA | 25MHz | ±25ppm | 4-SMD, No Lead |
NX2520SA-26MHZ-STD-CSX-1 | NDK晶振 | NX2520SA | 26MHz | ±10ppm | 4-SMD, No Lead |
NX2520SA-26.000000MHZ | NDK晶振 | NX2520SA | 26MHz | ±10ppm | 4-SMD, No Lead |
NX2520SA-30.000000MHZ | NDK晶振 | NX2520SA | 30MHz | ±10ppm | 4-SMD, No Lead |
NX2520SA-24.576000MHZ | NDK晶振 | NX2520SA | 24.576MHz | ±10ppm | 4-SMD, No Lead |
NX2520SA-20.000000MHZ | NDK晶振 | NX2520SA | 20MHz | ±10ppm | 4-SMD, No Lead |
NX2520SA-32.000000MHZ | NDK晶振 | NX2520SA | 32MHz | ±10ppm | 4-SMD, No Lead |
NX2520SA-44.000000MHZ | NDK晶振 | NX2520SA | 44MHz | ±10ppm | 4-SMD, No Lead |
NX2520SA-26.000000MHZ-B9 | NDK晶振 | NX2520SA | 26MHz | ±10ppm | 4-SMD, No Lead |
EXS00A-CS05400 | NDK晶振 | NX2520SA | 19.2MHz | ±30ppm | 4-SMD, No Lead |
NX2520SA-16MHZ-STD-CSW-5 | NDK晶振 | NX2520SA | 16MHz | ±25ppm | 4-SMD, No Lead |
NX2520SA-16.000000MHZ-W1 | NDK晶振 | NX2520SA | 16MHz | ±20ppm | 4-SMD, No Lead |
NX2520SA-40.000000MHZ | NDK晶振 | NX2520SA | 40MHz | ±10ppm | 4-SMD, No Lead |
NX2520SA-40.000000MHZ-W2 | NDK晶振 | NX2520SA | 40MHz | ±10ppm | 4-SMD, No Lead |
NX2520SA-40.000000MHZ-W3 | NDK晶振 | NX2520SA | 40MHz | ±10ppm | 4-SMD, No Lead |
NX2520SA-26MHZ-EXS00A-CS05497 | NDK晶振 | NX2520SA | 26MHz | ±10ppm | 4-SMD, No Lead |


2、客服咨詢:專業的銷售團隊,耐心為您解答任何疑問,讓您的消費得到保障.
3、質量保證,誠信為本,上我司以“以科技為動力,以質量求生存,”為理念.
4、提升業績,降低成本為您的產品量身訂制,免費取樣,為您做到低成本,高效率.


Q Q: 577541227
電 話:0755-27876201
手 機: 13728742863
Email: kangbidz@163.com
網 址: http://www.siliconsi.com/
地 址: 廣東省深圳市寶安區41區33棟6層