康比電子roducts
國產晶振
臺產晶振
進口晶振
- 日本大真空晶振
- 愛普生晶振
- 精工晶振
- 西鐵城晶振
- 村田晶振
- 進口KSS晶振
- NDK晶振
- 大河石英晶振
- 美國CTS晶振
- 微晶晶振
- Abracon晶振
- ECS晶振
- Golledge晶振
- IDT晶振
- Jauch晶振
- Pletronics晶振
- 拉隆晶振
- SiTime晶振
- Statek晶振
- 格林雷晶振
- 康納溫菲爾德晶振
- 日蝕晶振
- 瑞康晶振
- 維管晶振
- AEK晶振
- AEL晶振
- Cardinal晶振
- Crystek晶振
- Euroquartz晶振
- FOX晶振
- Frequency晶振
- Geyer晶振
- KVG晶振
- ILSI晶振
- MERCURY晶振
- MMDCOMP晶振
- MtronPTI晶振
- QANTEK晶振
- QuartzCom晶振
- Quarztechnik晶振
- Suntsu晶振
- Transko晶振
- Wi2Wi晶振
- Fujicom晶振
- Interquip晶振
- ITTI晶振
- Lihom晶振
- MTI晶振
- NAKA晶振
- Oscilent晶振
- PDI晶振
- Rubyquartz晶振
- Shinsung晶振
- SMI晶振
- CTECH晶振
- IQD晶振
- Microchip晶振
- NJR晶振
- Silicon晶振
- Anderson晶振
- Fortiming晶振
- CORE晶振
- NIPPON晶振
- NICKC晶振
- QVS晶振
- Bomar晶振
- Bliley晶振
- GED晶振
- FILTRONETICS晶振
- STD晶振
- Q-Tech晶振
- Wenzel晶振
- NEL晶振
- EM晶振
- PETERMANN晶振
- FCD-Tech晶振
- HEC晶振
- FMI晶振
- Macrobizes晶振
- AXTAL晶振
- Sunny晶振
- 瑞薩Renesas晶振
- SKYWORKS晶振
車載電子
數碼電子
智能家居
時計產品
無線網絡
智能穿戴
醫療器械
無人機
0755-27876201
常見問題
更多>>.jpg)
.jpg)
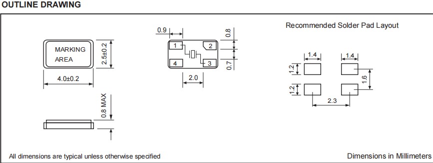
XCS42-16M000-1C30B12,4025mm,16MHz,Fortiming高精度晶振,XCS42,美國進口晶振,Fortiming富通晶振,美國進口晶振,型號:XCS42系列,編碼為:XCS42-16M000-1C30B12,頻率為:16MHz,精度:±20ppm,頻率穩定性:±30ppm,工作溫度范圍:-40℃至+85℃,負載:12pF,小體積晶振尺寸:4.0x2.5x0.8mm陶瓷密封膠密封表面安裝封裝,四腳貼片晶振,石英晶體諧振器,石英晶振,無源晶振。具有超小型,輕薄型,高精度,高性能,高可靠性,高品質等特點。應用于:通訊設備晶振,無線網絡晶振,藍牙晶振,導航儀晶振,智能家居晶振,數碼電子晶振等應用。
XCS42-16M000-1C30B12,4025mm,16MHz,Fortiming高精度晶振,XCS42,美國進口晶振,產品特點:
●符合RoHS(無鉛),超小型設計
●AT切割晶體,高精度,時效性好
●高密度表面安裝的行業標準封裝,石英貼片晶振
●藍牙應用的頻率穩定性
.jpg)
.jpg)
XCS42-16M000-1C30B12,4025mm,16MHz,Fortiming高精度晶振,XCS42,美國進口晶振,參數表
Frequency | 16 MHz |
Resonance Mode | 1 = Fundamental (13 to 32 MHz) |
Calibration Tolerance @25°C | A = ±50 ppm; B = ±30 ppm; C = ±20 ppm; D = ±15 ppm; E = ±10 ppm |
Frequency Stability Ref @25°C | 50 = ±50 ppm; 25 = ±25 ppm; 10 = ±10 ppm; 5 = ±5 ppm |
Temperature Range | A = 0°C to 70°C; B = -40°C to 85°C; C = -10°C to 60°C; D = -20°C to 70°C |
Crystal Aging | ±1 ppm / year Maximum |
Operatable Temperature Range | -40°C to 85°C |
Load Capacitance (CL) | CL = 9 pF (Standard), 12 pF, 16 pF, others, or S = Series resonant |
Shunt Capacitance | 1.2 pF Maximum |
Drive Level | 0.1 mW Maximum |


1、技術支持:全方位技術指導,專業的技術支持讓您感受到前所未有的后顧無憂.
2、客服咨詢:專業的銷售團隊,耐心為您解答任何疑問,讓您的消費得到保障.
3、質量保證,誠信為本,上我司以“以科技為動力,以質量求生存,”為理念.
4、提升業績,降低成本為您的產品量身訂制,免費取樣,為您做到低成本,高效率.
3、質量保證,誠信為本,上我司以“以科技為動力,以質量求生存,”為理念.
4、提升業績,降低成本為您的產品量身訂制,免費取樣,為您做到低成本,高效率.


康比電子聯系方式:
Q Q: 577541227
電 話:0755-27876201
手 機: 13728742863
Email: kangbidz@163.com
網 址: http://www.siliconsi.com/
地 址: 廣東省深圳市寶安區41區33棟6層
Q Q: 577541227
電 話:0755-27876201
手 機: 13728742863
Email: kangbidz@163.com
網 址: http://www.siliconsi.com/
地 址: 廣東省深圳市寶安區41區33棟6層