康比電子roducts
國產晶振
臺產晶振
進口晶振
- 日本大真空晶振
- 愛普生晶振
- 精工晶振
- 西鐵城晶振
- 村田晶振
- 進口KSS晶振
- NDK晶振
- 大河石英晶振
- 美國CTS晶振
- 微晶晶振
- Abracon晶振
- ECS晶振
- Golledge晶振
- IDT晶振
- Jauch晶振
- Pletronics晶振
- 拉隆晶振
- SiTime晶振
- Statek晶振
- 格林雷晶振
- 康納溫菲爾德晶振
- 日蝕晶振
- 瑞康晶振
- 維管晶振
- AEK晶振
- AEL晶振
- Cardinal晶振
- Crystek晶振
- Euroquartz晶振
- FOX晶振
- Frequency晶振
- Geyer晶振
- KVG晶振
- ILSI晶振
- MERCURY晶振
- MMDCOMP晶振
- MtronPTI晶振
- QANTEK晶振
- QuartzCom晶振
- Quarztechnik晶振
- Suntsu晶振
- Transko晶振
- Wi2Wi晶振
- Fujicom晶振
- Interquip晶振
- ITTI晶振
- Lihom晶振
- MTI晶振
- NAKA晶振
- Oscilent晶振
- PDI晶振
- Rubyquartz晶振
- Shinsung晶振
- SMI晶振
- CTECH晶振
- IQD晶振
- Microchip晶振
- NJR晶振
- Silicon晶振
- Anderson晶振
- Fortiming晶振
- CORE晶振
- NIPPON晶振
- NICKC晶振
- QVS晶振
- Bomar晶振
- Bliley晶振
- GED晶振
- FILTRONETICS晶振
- STD晶振
- Q-Tech晶振
- Wenzel晶振
- NEL晶振
- EM晶振
- PETERMANN晶振
- FCD-Tech晶振
- HEC晶振
- FMI晶振
- Macrobizes晶振
- AXTAL晶振
- Sunny晶振
- 瑞薩Renesas晶振
- SKYWORKS晶振
車載電子
數碼電子
智能家居
時計產品
無線網絡
智能穿戴
醫療器械
無人機
0755-27876201
常見問題
更多>>.jpg)
.jpg)
AEL兩腳貼片晶振,ELM3-20.000MHz-E7U-T,藍牙模塊晶振,英國進口晶振,AEL晶振,艾爾晶振,型號:ELM3晶振,編碼為:ELM3-20.000MHz-E7U-T,頻率為:20.000MHz,小體積晶振尺寸:5.0x3.2mm封裝,陶瓷SMD晶體,兩腳貼片晶振,無源晶振,石英晶振,石英晶體諧振器,SMD石英晶體,無鉛環保晶振,工作溫度范圍:0℃至+70℃。具有超小型,輕薄型,高精度,高性能,高品質,高溫度等特點。石英晶振被廣泛應用于:通訊設備,汽車電子,導航儀,無線網絡,藍牙模塊,平板電腦,智能手機,智能家居,物聯網,醫療設備,安防設備等應用。
.jpg)
AEL兩腳貼片晶振,ELM3-20.000MHz-E7U-T,藍牙模塊晶振,參數表
STANDARD SPECIFICATIONS | |||||||||||||
PARAMETERS | MAX (Unless otherwise noted) | ||||||||||||
Frequency Range Fundamental 3rd Overtone |
8.000 to 54.000 MHz 54.100 to 80.000 MHz |
||||||||||||
Operation Mode |
Fundamental or 3rd Overtone |
||||||||||||
Operating Temperature | -10°C to +60°C, see options | ||||||||||||
Storage Temperature | -40°C to +90°C | ||||||||||||
Frequency Tolerance @ 25°C | ± 50PPM, see options | ||||||||||||
Frequency Stability over the Operating Temperature (ref. to +25°C) |
± 50PPM, see options | ||||||||||||
Equivalent Series Resistance (ESR) 8.000 ≤ F < 9.000 (Fund) 9.000 ≤ F < 10.000 (Fund) 10.000 ≤ F < 16.000 (Fund) 16.000 ≤ F < 20.000 (Fund) 20.000 ≤ F < 30.000 (Fund) 30.000 ≤ F ≤ 54.000 (Fund) 54.000 < F ≤ 80.000 (3rd OT) |
140 Ω 120 Ω 60 Ω 40 Ω 30 Ω 25 Ω 60 Ω |
||||||||||||
Shunt Capacitance (C0) | 7.0 pF | ||||||||||||
Load Capacitance (CL) | 18 pF, Standard (see options if other than STD) | ||||||||||||
Drive Level |
10 μW Typ 100 μW |
||||||||||||
Aging (@25°C±3°C First year ) | ±5ppm | ||||||||||||
Insulation Resistance@ 100Vdc ± 15V | 500 MOhms | ||||||||||||
RoHS Compliant |
Yes, , Pb in Glass, exemption 7C-I per RoHS II Directive 2011/65/EU Annex |
||||||||||||
Pb Free | No | ||||||||||||
MSL | NA |
.jpg)
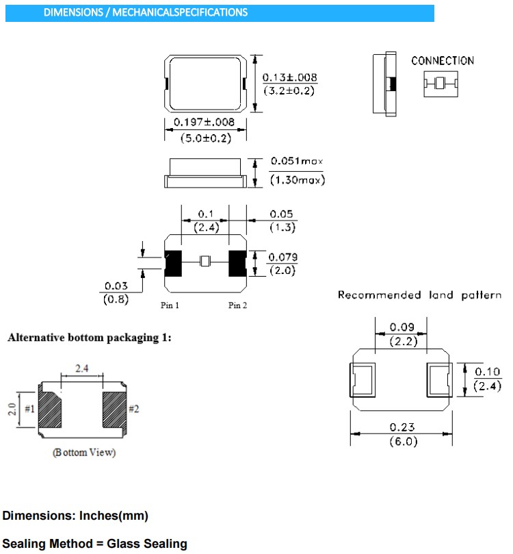
AEL兩腳貼片晶振,ELM3-20.000MHz-E7U-T,藍牙模塊晶振,尺寸圖
AEL兩腳貼片晶振,ELM3-20.000MHz-E7U-T,藍牙模塊晶振
產品特點:
SMD石英晶體諧振器
公差: ±15ppm可用
工作溫度-10°C至+60°C至-40°C至+125°C
產品編碼 | 進口晶振 | 頻率 | 長度 | 寬度 | 高度 |
ELLS-10.000MHz-20-R60-J-Q-F-T | AEL晶振 | 10 MHz | 12.3mm | 4.6mm | 4.3mm |
ELLS-12.000MHz-18-R60-A-4-F-T | AEL晶振 | 12 MHz | 12.3mm | 4.6mm | 4.3mm |
ELLS-13.560MHz-10-R35-A4Y-F-T | AEL晶振 | 13.56 MHz | 12.3mm | 4.6mm | 4.3mm |
ELLS-30.000MHz-10-R50-B1U-F-T | AEL晶振 | 30 MHz | 12.3mm | 4.6mm | 4.3mm |
ELLS-4.000MHz-16-R120-A4-F-T | AEL晶振 | 4 MHz | 12.3mm | 4.6mm | 4.3mm |
ELLS-4.000MHz-16-R120-B1X-F-T | AEL晶振 | 4 MHz | 12.3mm | 4.6mm | 4.3mm |
ELLS-4.000MHz-30-R120-D4-F-T | AEL晶振 | 4 MHz | 12.3mm | 4.6mm | 4.3mm |
ELLS-8.000MHz-16-R45-D4-F-T | AEL晶振 | 8 MHz | 12.3mm | 4.6mm | 4.3mm |
ELM10-16.000MHz-8-R60-2-D20-T | AEL晶振 | 16 MHz | 2.5mm | 2mm | 0.5mm |
ELM10-24.000MHz-16-R100-X-N15-T | AEL晶振 | 24 MHz | 2.5mm | 2mm | 0.5mm |
ELM11-32.000MHz-10-R60-D1X-T | AEL晶振 | 32 MHz | 2mm | 1.6mm | 0.5mm |
ELM3-12.000MHz-30-R80-D4Y-T | AEL晶振 | 12 MHz | 5mm | 3.2mm | 1mm |
ELM3-14.000MHz-30-R80-D4H-T | AEL晶振 | 14 MHz | 5mm | 3.2mm | 1mm |
ELM3-24.000MHz-18-R40-D4H-T | AEL晶振 | 24 MHz | 5mm | 3.2mm | 1mm |
ELM3-8.057MHz-18-R100-B4Y-T | AEL晶振 | 8.057 MHz | 5mm | 3.2mm | 1mm |
ELM8-12.000MHz-10-R50-D4Y-T | AEL晶振 | 12 MHz | 3mm | 2.5mm | 0.6mm |
ELM8-12.5829MHz-16-R60-1U-T | AEL晶振 | 12.5829 MHz | 3mm | 2.5mm | 0.6mm |
ELM8-14.000MHz-16-R150-B1U-T | AEL晶振 | 14.8 MHz | 3mm | 2.5mm | 0.6mm |
ELM8-18.432MHz-16-R80-DQ-T | AEL晶振 | 18.432 MHz | 3mm | 2.5mm | 0.6mm |
ELM8-24.000MHz-10-R60-D1W-T | AEL晶振 | 24 MHz | 3mm | 2.5mm | 0.6mm |
ELM8-24.000MHz-18-R60-B1W-T | AEL晶振 | 24 MHz | 3mm | 2.5mm | 0.6mm |
ELM8-24.000MHz-9-R40-N1U-T | AEL晶振 | 24 MHz | 3mm | 2.5mm | 0.6mm |
ELM8-26.000MHz-18-R60-B1U-T | AEL晶振 | 26 MHz | 3mm | 2.5mm | 0.6mm |
ELM8-32.000MHz-16-R40-B1U-T | AEL晶振 | 32 MHz | 3mm | 2.5mm | 0.6mm |
ELM8-32.000MHz-9-R40-D1G-T | AEL晶振 | 32 MHz | 3mm | 2.5mm | 0.6mm |
ELS07-32.768kHz-6-T | AEL晶振 | 32.768 kHz | 3.2mm | 1.5mm | 0.75mm |
ELS07-32.768kHz-T | AEL晶振 | 32.768 kHz | 3.2mm | 1.5mm | 0.75mm |
ELS13-32.768kHz-7-T | AEL晶振 | 32.768 kHz | 7mm | 1.5mm | 1.4mm |
ELS13-32.768kHz-7-T | AEL晶振 | 32.768 kHz | 7mm | 1.5mm | 1.4mm |
ELS13-32.768kHz-9-T | AEL晶振 | 32.768 kHz | 7mm | 1.5mm | 1.4mm |
ELS13-32.768kHz-T | AEL晶振 | 32.768 kHz | 7mm | 1.5mm | 1.4mm |
ELS13-32.768kHz-T | AEL晶振 | 32.768 kHz | 7mm | 1.5mm | 1.4mm |
ELS25-32.768kHz-6-2-T | AEL晶振 | 32.768 kHz | 8mm | 3.8mm | 2.4mm |
ELS25-32.768kHz-T | AEL晶振 | 32.768 kHz | 8mm | 3.8mm | 2.4mm |
ELS25-32.768kHz-T | AEL晶振 | 32.768 kHz | 8mm | 3.8mm | 2.4mm |
ELS06-32.768kHz-9-T | AEL晶振 | 32.768 kHz | 2mm | 1.2mm | 0.6mm |
ELS05-32.768kHz-9-T | AEL晶振 | 32.768 kHz | 1.6mm | 1mm | 0.5mm |
ELM12W-24.000MHz-6-R120-D7X-T | AEL晶振 | 24 MHz | 1.6mm | 1.2mm | 0.4mm |
X10M000000L121 | AEL晶振 | 10 MHz | 11.3mm | 4mm | 16mm |
X10M000000S065 | AEL晶振 | 10 MHz | 12.3mm | 4.6mm | 4.3mm |
X12M000000S081 | AEL晶振 | 12 MHz | 12.3mm | 4.6mm | 4.3mm |
X12M000000S096 | AEL晶振 | 12 MHz | 3mm | 2.5mm | 0.6mm |
X12M000000S118 | AEL晶振 | 12 MHz | 5mm | 3.2mm | 1mm |
X12M582900S001 | AEL晶振 | 12.5829 MHz | 3mm | 2.5mm | 0.6mm |
X13M560000S024 | AEL晶振 | 13.56 MHz | 12.3mm | 4.6mm | 4.3mm |
X14M000000S003 | AEL晶振 | 14 MHz | 5mm | 3.2mm | 1mm |
X14M800000S001 | AEL晶振 | 14.8 MHz | 3mm | 2.5mm | 0.6mm |
X16M000000S182 | AEL晶振 | 16 MHz | 3mm | 2.5mm | 0.6mm |
X16M000000S207 | AEL晶振 | 16 MHz | 2.5mm | 2mm | 0.5mm |
X18M432000S049 | AEL晶振 | 18.432 MHz | 3mm | 2.5mm | 0.6mm |
X21M948717S005 | AEL晶振 | 21.948717 MHz | 5mm | 3.2mm | 1mm |
X24M000000S029 | AEL晶振 | 24 MHz | 2.5mm | 2mm | 0.5mm |
X24M000000S049 | AEL晶振 | 24 MHz | 2.5mm | 2mm | 0.5mm |
X24M000000S050 | AEL晶振 | 24 MHz | 3mm | 2.5mm | 0.6mm |
X24M000000S079 | AEL晶振 | 24 MHz | 5mm | 3.2mm | 1mm |
X24M000000S094 | AEL晶振 | 24 MHz | 3mm | 2.5mm | 0.6mm |
X24M000000S303 | AEL晶振 | 24 MHz | 3mm | 2.5mm | 0.6mm |
X26M000000S301 | AEL晶振 | 26 MHz | 3mm | 2.5mm | 0.6mm |
X30M000000S005 | AEL晶振 | 30 MHz | 12.3mm | 4.6mm | 4.3mm |
X32K768L025 | AEL晶振 | 32.768 kHz | 2.1mm | 6.2mm | 13.2mm |
X32K768L104 | AEL晶振 | 32.768 kHz | 2.9mm | 8mm | 17mm |
X32K768S003 | AEL晶振 | 32.768 kHz | 7.9mm | 3.8mm | 2.4mm |
X32K768S012 | AEL晶振 | 32.768 kHz | 3.2mm | 1.5mm | 0.75mm |
X32K768S013 | AEL晶振 | 32.768 kHz | 7mm | 1.5mm | 1.4mm |
X32K768S020 | AEL晶振 | 32.768 kHz | 7mm | 1.5mm | 1.4mm |
X32K768S021 | AEL晶振 | 32.768 kHz | 4.1mm | 1.5mm | 0.7mm |
X32K768S036 | AEL晶振 | 32.768 kHz | 10.41mm | 4.06mm | 3.56mm |
X32K768S038 | AEL晶振 | 32.768 kHz | 7mm | 1.5mm | 1.4mm |
X32K768S041 | AEL晶振 | 32.768 kHz | 4mm | 1.5mm | 0.7mm |
X32K768S045 | AEL晶振 | 32.768 kHz | 2mm | 6mm | 9mm |
X32K768S051 | AEL晶振 | 32.768 kHz | 7mm | 1.5mm | 1.4mm |
X32K768S067 | AEL晶振 | 32.768 kHz | 3.2mm | 1.5mm | 0.75mm |
X32K768S073 | AEL晶振 | 32.768 kHz | 6mm | 2.5mm | 8.3mm |
X32K768S112 | AEL晶振 | 32.768 kHz | 7.9mm | 3.8mm | 2.4mm |
X32K768S115 | AEL晶振 | 32.768 kHz | 8mm | 4mm | 2.4mm |
X32K768S134 | AEL晶振 | 32.768 kHz | 7mm | 1.5mm | 1.4mm |
X32K768S233 | AEL晶振 | 32.768 kHz | 10.4mm | 4mm | 3.5mm |
X32K768S239 | AEL晶振 | 32.768 kHz | 7.9mm | 3.8mm | 2.4mm |
X32K768S300 | AEL晶振 | 32.768 kHz | 3.2mm | 1.5mm | 0.75mm |
X32M000000S039 | AEL晶振 | 32 MHz | 3mm | 2.5mm | 0.6mm |
X32M000000S045 | AEL晶振 | 32 MHz | 3mm | 2.5mm | 0.6mm |
X32M000000S046 | AEL晶振 | 32 MHz | 2mm | 1.6mm | 0.5mm |
X3M686400S004 | AEL晶振 | 3.6864 MHz | 11.8mm | 5.5mm | 2.1mm |
X4M000000S002 | AEL晶振 | 4 MHz | 12.3mm | 4.6mm | 4.3mm |
X4M000000S018 | AEL晶振 | 4 MHz | 12.3mm | 4.6mm | 4.3mm |
X4M000000S084 | AEL晶振 | 4 MHz | 12.3mm | 4.6mm | 4.3mm |
X8M000000L023 | AEL晶振 | 8 MHz | 10.5mm | 4.7mm | 4mm |
X8M000000S007 | AEL晶振 | 8 MHz | 12.3mm | 4.6mm | 4.3mm |
X8M000000S045 | AEL晶振 | 8 MHz | 12mm | 8mm | 4.8mm |
X8M057000S001 | AEL晶振 | 8.057 MHz | 5mm | 3.2mm | 1mm |



1、技術支持:全方位技術指導,專業的技術支持讓您感受到前所未有的后顧無憂.
2、客服咨詢:專業的銷售團隊,耐心為您解答任何疑問,讓您的消費得到保障.
3、質量保證,誠信為本,上我司以“以科技為動力,以質量求生存,”為理念.
4、提升業績,降低成本為您的產品量身訂制,免費取樣,為您做到低成本,高效率.
3、質量保證,誠信為本,上我司以“以科技為動力,以質量求生存,”為理念.
4、提升業績,降低成本為您的產品量身訂制,免費取樣,為您做到低成本,高效率.


康比電子聯系方式:
Q Q: 577541227
電 話:0755-27876201
手 機: 13728742863
Email: kangbidz@163.com
網 址: http://www.siliconsi.com/
地 址: 廣東省深圳市寶安區41區33棟6層
Q Q: 577541227
電 話:0755-27876201
手 機: 13728742863
Email: kangbidz@163.com
網 址: http://www.siliconsi.com/
地 址: 廣東省深圳市寶安區41區33棟6層